特大桥主墩零号块托架安装技术
王春 张效铭
中国电建集团四川工程有限公司 四川省成都市 610051
叙州大道#3 桥全长 571.24m(K2+608.380~K3+179.62),在 K2+820 处跨越马鸣溪。跨越马鸣溪的主体结构采用 100+170+100m 的现浇预应力混凝土连续刚构设计。主桥的柱墩采用双肢薄壁墩与承台群桩基础相结合;主跨边墩设计为墙身墩,同样采用承台群桩基础;其他桥墩则采用三柱式排架墩,墩柱为矩形截面,并与承台基础相连。桥台设计为肋板式桥台及桩接盖梁轻型桥台,所有桩基础均为嵌岩桩。
1:工程概况
箱梁零号块的施工采用托架现浇法,整个浇筑过程分为两次进行。浇筑的混凝土总量超过2200t。此外,零号块托架结构由型钢组拼而成,确保零号块托架的安装质量是该桥梁建设过程中的关键和难点。
图1:连续刚构三维图

2:施工准备
2.1 技术准备。在施工前,对施工作业人员进行工前培训,涵盖技术和安全交底,以强化他们对高空作业安全的认识。组织工程技术人员深入研究技术文件和图纸,全面理解设计意图,并对现场进行实地勘察,对原始资料进行进一步的调查分析。
2.3 材料准备。施工前,合理安排材料的进场时间,并做好备料工作。对进场材料采取有效保护措施,以防止损坏或变质。确保现场原材料准备充足,并整齐码放,设置标示牌显示规格、产地、数量和检验状态等信息。所有原材料的质量证明资料必须齐全。
2.4 托架荷载计算。在托架施工前,委托专业检测公司对零号块托架在混凝土浇筑完成后,包括自重、托架自重、模板结构自重、施工机具及人行荷载在内的综合情况下的强度进行计算组合荷载下各个构件的强度及稳定性;同时,计算刚度组合荷载下各个构件的变形程度。只有在检测确认托架结构的各个构件强度和刚度均满足规范要求后,方可进行托架施工。
2.2 测量放样。施工前,需对设计图提供的各节段线形控制高程进行反复核算,确保无误后方可采用。在墩柱施工过程中,依据专项施工图纸进行测量放样,确保托架预埋件的预埋位置精确无误。
3:托架施工
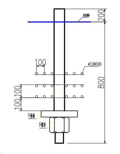
3.1 预埋反压地锚。本桥主墩零号块托架预压采用千斤顶反压法,需在承台施工阶段将反压地锚预埋于承台内部,其预埋深度定为0.8m,外露部分为 0.2m,并在下方设置螺帽及垫板。在锚板上布置三层10×10cm 的钢筋网。根据托架设计要求,每个承台需安装100 根32 毫 m直径的精轧螺纹钢作为反压地锚。

3.2 预埋U 型螺栓和托架对穿钢棒。在墩柱施工过程中,依据专项施工图纸对墩柱高层进行精确测量和放样。随后,准确计算出施工平台22mmU 型螺栓和托架对穿钢棒的预埋位置。在墩身浇筑过程中,对22mmU 型螺栓与横桥向托架60mm 钢棒进行预埋,并对顺桥向托架100mm 对穿钢棒进行预埋管作业。
3.3 托架平台安装。(1)作业平台由角钢、槽钢、钢板及钢筋等组成,通过塔吊辅以汽车吊进行吊装作业平台的安装。利用事先在墩身施工中预埋的HPB300φ22mmU 型螺栓进行固定,以完成托架安装操作平台。(2)在作业平台拼装过程中,需进行焊接加固,确保通道搭设跳板无缝隙,跳板采用钢筋焊接方式固定。(3)作业平台搭设完成后,通道临边需铺设防护网和挡脚板,确保安全防护措施到位。
3.5 顺桥向托架安装。(1)在墩身顺桥向设置五道三角托架,托架间距为5.9m、6.1m。每道三角托架采用双拼HM440*300 型钢、2I45b工字钢拼装而成。(2)三角托架的弦杆和腹杆采用10.9 级M30 高强螺栓连接,形成整体。(5)在杆件安装时,应确保位置准确,防止出现缝隙,特别是斜交杆件之间采用角焊缝连接时,根部应保证间隙小于1.5mm 以确保焊缝的有效计算厚度满足要求。三角托架的弦杆和腹杆与牛腿螺栓连接,牛腿焊接质量应符合钢结构制造验收规范要求。牛腿通过3-4 根φ100mm 钢板螺帽锚定在墩身上。
3.4 牛腿安装。(1)利用主墩施工时预埋的顺桥 m 钢棒预埋管,通过塔吊及人工进行钢棒的穿束作业。(2)在穿束顺桥向钢棒的同时,在施工现场进行牛腿的拼装作业。 牛腿安装 安装 ,采用塔吊将牛腿吊运至指定位置,人工将牛腿与钢棒位置准确对准后, ,牛腿钢板均采用Q355B 级钢,双拼HM440*300 三角托架的上下弦杆均 55B 级钢棒,用螺帽将牛腿固定。(6)牛腿加工焊接要确保焊缝质量,采取合理 避免焊接变形过 ,确保焊缝尺寸饱满,防止虚焊等现象,普通角焊缝质量等级不小于二级。
3.6 横桥向托架安装
在墩身横桥向设置八道翼缘板三角托架,托架间距1.2m。翼缘板三角托架杆件采用2I45b、2I32b 型钢,翼缘板三角托架弦杆和腹杆螺栓连接形成整体后分别放在墩身牛腿上,牛腿通过φ60mm 钢板锚定在墩身上。
3.7 在施工过程中应密切观察托架结构的变形情况,一旦发现位移过大等异常情况,应立即停止施工。
4:托架预压
4.1 预压准备。
4.1.1 安装 32mm 精轧螺纹钢。(1)在安装精轧螺纹 以确保其抗剪强度达到所需标准。(2)零号块托架使用 100根 32mm 精轧螺纹钢作为吊杆,利用专用连接器 顶部接长至高出托架100cm 的位置。(3)根据墩柱横桥向布局,双肢薄壁墩的两侧各设置两排,中心线 排4 根组成一组,共5 组。(4)在托架上方放置2 道双拼I45 工字钢,单个零号块预压共计20 道,2 道双拼工字钢间距为5cm,精轧螺纹钢通过这2 道双拼工字钢进行连接。
4.1.2 千斤顶和工字钢的安装。此托架采用千斤顶反压法,在工字钢上方放置20 个液压千斤顶和长75cm 的垂直于双拼工字钢的三拼45工字钢,千斤顶上方设置双拼45 工字钢,作为扁担梁。
4.2 托架预压。
(1)预压过程中,通过启动液压千斤顶顶升扁担梁,拉紧精轧螺纹钢,将拉力作用于托架上,实现精确的分级加载。
(2)托架预压加载采用分级加载方式,各加载点根据目标值转换成油表读数。预压时,按照目标值的0%→50%→80%→100%→120%共分四级进行加载。

(3)在每个预压主桁位置设置一个观测点,以监测加载过程中每个点的托架桁架预压前后高程的变形情况。(4)每次加载完成后,以及预压完成后的 6 小时内,对所有测点进行观测,记录变形数据,分析以确定变形结果。通过统计数据分析,验证分级张拉力与理论支架变形是否相符,确保预压过程的安全性。(5)在最终荷载预压完成后 12 小时进行观测,确定标高值。若 24 小时内标高值无变化,则认为结构稳定,可以进行卸载。(6)卸载完成后,应立即对测点进行末次观测,并记录标准高值。通过分析观测数据,计算出弹性变形量和非弹性变形量,从而确定预拱度。

图4.2-2:0#段托架预压方平面布置图(单位:mm)
5:主横梁、分配梁安装
5.1 预压作业完成后,首先着手安装平台步行板、栏杆和安全网,以降低后续主横梁和分配梁安装过程中的施工风险。
5.2 (1)在顺桥向托架上安装砂桶,两侧横向间距为100cm,内侧横向间距为110cm,竖向间距为609.5cm 和590.5cm。(2)砂箱安装完毕后,安装2I45b 横梁,两侧间距为100cm,内侧间距为110cm。(3)在I20b 分配梁和10×10cm 方木依次摆放就位后,铺设15mm 厚的竹胶板。
5.3 翼缘板托架主桁架采用2I32b 和2I45b,共设置2 排,每排4 组。横向2I45b 工字钢间距为120cm,单侧竖向工字钢靠近墩柱的两根为2I45b 工字钢,间距为110cm,其余竖向工字钢为2I32b 工字钢,间距90cm。

6:安全施工
6.1 执行高空作业的人员需定期进行体格检查,不适合从事高空作业的人员不得参与此项工作。严禁高血压、心脑血管疾病患者及酒后人员进行高空作业。作业人员必须系安全带、戴安全帽、穿防滑鞋。
6.2 高空作业与地面的联系应由专人负责,或配备通讯设备。在高空作业铺设纵、横梁及支架时,应铺设走道板,并确保步行板两端绑扎牢固,不得留有探头板。
6.3 夜间禁止进行高空作业。在六级或以上大风天气,为确保施工人员安全,应暂停高空作
6.4 高空作业人员应配备工具袋,小型工具及材料应放入袋内,较大的工具应系好保险绳,不得随意放置,以防坠落伤人。严禁从向下乱扔乱丢物品。
截至目前,叙州大道#3 桥主墩零号块已整体施工完毕,最终施工效果达到预期目标,证明该施工方法不仅满足了施工技术要求,而且确保了桥梁各部分参数符合相关标准。在托架预压施工过程中,考虑到现场施工环境等因素,采用了千斤顶反压法,相较于传统预压技术,千斤顶反压法在安全性、可靠性方面表现更优,施工工期更短。这一方法不仅提升了施工效率,还减少了施工成本,缩短了施工周期。
参考文献:
[01] 《公路工程施工安全技术规范》(JTG F90-2015)
[02] 《钢筋机械连接连接用套筒》(JG/T163-2013)
[03] 《建筑施工高处作业安全技术规范》(JGJ80-2016)
[04] 普和新区叙州大道、外江路等市政项目(EPC)叙州大道(K1+460-K3+354.641)施工图设计(桥梁工程)
[05] 《四川省危险性较大的分部分项工程安全管理规定实施细则》川建行规(2018)3 号文《桥梁结构钢》(GB/T 714-2015)