污水处理厂的供配电设计与实践运用初探
罗建儒
长沙湘江环境科技有限公司 湖南长沙 410000
污水处理厂的工艺流程比较复杂,会涉及到众多的机械设备和电气设备,像水泵、风机以及搅拌机等都包含在内,这些设备的稳定运行得依靠可靠的电力供应,供配电系统就如同污水处理厂的“心脏”,其性能会直接影响到污水处理工艺的稳定性和处理效果,要是供配电系统出现故障,有可能导致设备停机,使得污水无法正常进行处理,进而对环境造成严重的污染。污水处理厂的能耗相对比较大,供配电系统的节能设计对于降低运行成本和提高能源利用效率非常重要,随着信息技术不断地发展,智能化管理在污水处理厂供配电系统中的应用变得越来越广泛,能够实现对系统的实时监测、故障预警以及优化控制,提高管理效率和决策的科学性。
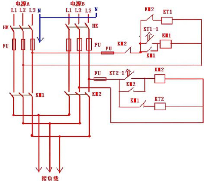
双电源供电是保障污水处理厂二级负荷供电可靠性关键举措,通常情况下污水处理厂会采用两路 10kV 高压电源互为备用,此设计理念源于对供电稳定性高度重视,一旦单路电源出现故障备用电源能迅速投入使用,可确保污水处理厂重要设备不会因停电而停止运行。从实际操作层面来看电源通过高压电缆引入变电所,在变电所高压侧设置了分列运行母线和母联柜,这种结构使正常运行时两路电源各自独立为不同母线供电,保证了供电独立性和安全性(图1)。当单路电源出现故障时母联柜会自动切换将负荷转移至备用电源,实现无缝切换需依靠先进自动化控制技术和保护装置,以此确保切换及时性和准确性。双电源供电可靠性还体现在对不同故障情况应对能力上,不管是电源线路故障、变电站设备故障还是自然灾害等不可抗力因素致电源中断,双电源系统都能短时间内恢复供电最大程度减少对污水处理厂生产运营影响[1]。
1.1 电源输入与高压配电系统
1.1.1 双电源供电
1 污水处理厂的供配电系统的组成
高压设备作为电源输入跟高压配电系统重要组成部分,涵盖进线柜、计量柜、出线柜等设备,这些设备各自承担不同功能作用,共同保障高压配电系统安全稳定运行,进线柜主要负责把高压电源引入变电所,它需要具备良好绝缘性能与短路保护能力,进线柜当中通常会配置继电保护装置。比如,电流速断保护以及过电流保护等,电流速断保护能在短路故障发生时迅速切断电路,避免故障进一步扩大,过电流保护可在电路出现过载情况时及时动作,保护设备不受到损坏,计量柜用于对电能进行准确计量操作,它是供电部门和污水处理厂电费结算重要依据,计量柜需要具备高精度计量元件与可靠通信接口,确保计量数据准确性和实时性 [2]。出线柜则把高压电能分配到各个下级设备和负载,出线柜同样会配置继电保护装置保障出线电路安全,此外,为防止雷击等过电压对设备造成损坏,高压设备还会配置防雷浪涌保护器进行防护,防雷浪涌保护器能在瞬间将过电压引入大地当中,保护设备免受雷击造成的损坏。
变压器属于污水处理厂供配电系统当中核心设备之一 ,它的选型直接关联到系统运行效率与可靠性,在污水处理厂里面通常会选用10kV/0.4kV 变压器,其容量得依据污水处理厂的负荷计算来确定。在变压器进行选型的过程中优先选用低损耗变压器极为重要,低损耗变压器采用了先进铁芯材料与制造工艺,能够有效减少空载以及负载方面的损耗,这不仅有利于降低污水处理厂的能源消耗,还能够减少设备发热进而延长变压器使用寿命。
低压配电网络是把变压器输出低压电能分配到各用电设备的关键环节,它主要涵盖进线柜、母联柜、补偿柜以及多路出线柜等,采用放射式或者混合式的供电方式,进线柜用于将变压器输出的低压电能引入低压配电系统,需要具备良好的过载和短路保护能力,母联柜用于实现两段母线之间的联络,当一段母线出现故障时可将负荷转移至另一段母线,以此保证供电的连续性。补偿柜的主要作用是进行无功补偿,在污水处理厂中有大量感性负载如电动机等,这些负载会消耗大量无功功率导致功率因数降低,通过在低压侧配置自动补偿电容柜可将功率因数提升至 0.95 以上,从而减少线损并提高电能质量[3]。多路出线柜把低压电能分配到各个用电设备,对于重要工艺设备像鼓风机、提升泵等通常直接由变电所供电,以确保其供电的可靠性,小功率设备则通过区域动力配电箱进行分配,这样能提高供电的灵活性和经济性。
第二是应用双电源供电模式,为了满足二级负荷的供电要求,设计当中通常会采用双电源供电模式,双电源供电能够通过母联开关实现电源切换操作,当一侧电源发生故障的时候,母联开关可迅速动作把负荷切换至另一侧电源,保障系统仍能够维持 80% 以上负荷运行,这种供电模式极大提高了供配电系统的可靠性,降低了因电源故障致使污水处理设备停运的风险。
第三是采取应对季节性波动负荷的措施,污水处理厂的负荷存在季节性波动情况,比如在雨季水量会出现激增现象,导致污水处理设备的负荷相应增加,针对这种状况建议配置专用变压器或动态无功补偿装置,专用变压器可根据实际负荷需求进行灵活调整,确保在负荷高峰期能够提供足够电力支持,动态无功补偿装置则能实时监测系统的无功功率,自动调整补偿容量以提高供电系统的功率因数,减少无功损耗从而提升供电灵活性[4]。
第四是负荷等级与可靠性设计的详细分析。准确确定负荷等级是供配电系统设计的重要基础,在实际开展设计工作时要综合考量污水处理厂规模、处理工艺以及设备类型等多方面因素,以此保证负荷等级划分能符合相关标准和实际需求。双电源供电模式虽能提高供电可靠性,不过也会增加系统复杂性与建设成本,所以设计时需要权衡供电可靠性和经济成本,进而选择适宜的电源切换设备和控制策略。针对季节性波动负荷,专用变压器和动态无功补偿装置的配置要依据具体负荷特性和变化规律进行优化设计,从而达成最佳节能和供电效果。2.2 变压器选型与节能设计
第一是要确定污水处理厂负荷等级,污水处理厂属于市政设施范畴,依据相关标准和规范要求,其供配电系统必须满足二级负荷标准,原因在于污水处理过程里的关键设备像鼓风机、提升泵等,一旦出现停电状况就会使污水处理流程中断,进而影响污水处理效果,甚至还可能造成环境污染等严重后果,所以确保这些关键设备连续运行是供配电系统设计首要任务。
图1双电源供电模式示意

2 污水处理厂的供配电设计与实践要点分析
1.1.2 高压设备
1.2 变压器与低压配电系统
1.2.2 低压配电网络
2.1 负荷等级与可靠性设计
1.2.1 变压器选型
变压器作为供配电系统当中的核心设备,它的选型需要兼顾经济性与节能性,在满足供电需求这个前提条件下,应该优先选用节能型的变压器,目前 S13 及以上系列节能型变压器,属于较为理想合适的选择对象,和传统型号的变压器进行比较,它的空载损耗降低了 40%以上,能够有效减少变压器运行过程里的能量损耗,进而降低整个系统的运营成本,变压器的容量配置要遵循“动态匹配”原则,夏季属于污水处理厂的高峰负荷时段,此时变压器的负载率需控制在 85% 以内,这样可以避免变压器出现过载运行情况,提高变压器的使用寿命和运行效率。
在非高峰时段利用自动切换装置能实现变 双绕组变压器分接头切换或多台变压器并列与解列运行等方式,依据实际负荷情况调整变压器容量以降低其损耗, 性负荷区域可采用分设变压器方案,把变压器布置在负荷中心区域并将供电半径缩短至 150m 内,可减少线路电阻进而降低线损, 同时分设变压器能提高供电可靠性,某一台变压器发生故障时不会影响其他区域供电(图2)。变压器选型不只 抗等参数与供配电系统匹配性,实际应用中要根据污水处理厂负荷预测和发展规划合理选择变 压器型号和容量, “动态匹配” 原则实施需要准确负荷监测和先进控制技术支持。通过安装智能电表和负荷监测系统实时获取负荷数据, 并采用自动化控制装置实现变压器自动切换和经济运行。分设变压器方案虽可降低线损和提高供电可靠性,但要考虑变压器投资成本、占地面积和维护管理等问题,设计时需综合评估各种因素确保方案可行性和经济性。
低压母线
电缆选型的时候要综合考量电阻率和经济性等方面,铜芯电缆有着较低的电阻率(1.72×10-6Ω·Π⊥), ,跟铝芯电缆对比线损降低大概30%,尽管铜芯电缆价格相对比较高,不过从长期运 面考虑其节能效果十分显著,能够有效降低运营成本,所以在污水处理厂的供配电线路设计当中推荐使用铜芯电缆。敷设路径采用“网格化分区 ”设计并把变电所布置在负荷中心区域,通过三维建模技术能够对电缆走向进行优化避免长距离迂回铺设,这种设 而减少线损,同时“网格化分区”设计也便于对电缆进行管理和维护以提高供配电系统可靠性。 跨区域输电线路建 交联聚乙烯绝缘电缆(XLPE),XLPE 电缆具备良好的绝缘性能和耐热性能,其载流量比传统电缆提升25%,在相同输电容量情况下采用XLPE 电缆能够减小电缆截面积并降低电缆投资成本 [5]
此外,XLPE 电缆具备耐腐蚀以及耐老化等诸多优点,适合用于污水处理厂复杂的环境条件,电缆选型时除考虑电阻率和经济性之外,还得考虑电缆载流量、绝缘性能、机械强度等因素,不同的环境条件下电缆的选型情况也会有所不同。比如,在潮湿、腐蚀等恶劣环境当中,要选择具备相应防护性能的电缆,“网格化分区”敷设路径设计需结合污水处理厂布局和负荷分布情况合理规划。三维建模技术能为路径优化提供准确的依据,但实际施工过程中还需考虑地形、地下管线等因素的影响,跨区域输电线路的电缆选择要综合考虑输电距离、输电容量、环境条件等因素,应根据实际需求来选择其他类型的电缆。
PLC(可编程逻辑控制器)控制系统集成多参数传感模块来实现设备运行智能联动,安装在污水处理设备上的传感器,可实时采集溶
解氧(DO)值与液位信号等参数并传输到PLC控制器中。PLC控制器依据预设程序和算法对设备进行自动控制,像鼓风机能根据溶解氧(DO)
值自动调节转速以满足污水处理对溶解氧需求,提升泵可依据液位信号动态启停避免水泵空转和过载运行,污泥回流泵可采用模糊 PID 算
法优化流量分配来提高污泥回流效率。PLC 控制系统性能直接影响设备运行稳定性和可靠性,选择 PLC 控制器时需考虑处理能力、输入输
出点数、通信接口等参数确保满足污水处理厂设备控制需求,同时传感器准确性和可靠性是关键因素,要定期对传感器进行校准和维护保
证采集数据准确。能源管理平台构建需具备强大的数据处理和分析能力,数字孪生模型建立需要大量历史数据和专业算法支持,实际应用
中要不断优化数字孪生模型提高其预测准确性和可靠性,此外能源管理平台还需与污水处理厂其他管理系统集成实现信息共享和协同工作。2.5 接地与防雷体系
图2 多台变压器并列运行模式示意

构建 TN - S 型等电位接地网要把设备外壳、电缆金属护层与建筑物基础钢筋实现三点互联,等电位接地网能够有效降低电位差进而防止电击事故发生,接地电阻值需小于等于 4Ω 以此确保接地系统的有效性。在接地网设计和施工过程当中,要选择合适接地材料与接地方式,比如采用镀锌扁钢或者铜排作为接地极,且采用垂直接地极和水平接地极相结合方式来提高接地系统可靠性。防雷系统采用三级保护即在进线段安装氧化锌避雷器(10/350μ 波形) 氧化锌避雷器可对雷电过 压进行限制以保护供配电系统设备免受雷击损坏,在配电柜配置模块化 SPD(电涌保护器),SPD 可进一步抑制雷电过电压和操作, 过电压从而保护配电柜内设备 [6]。在设备端加装组合式过电压保护器形成纵向防护链,为设备提供全方位防雷保护,TN - S 型等电位接地网构建需严格按照相关标准和规范进行设计和施工,接地电阻值大小直接影响接地系统有效性,需定期对接地电阻进行检测和维护确保其符合要求。
2.3 供配电线路优化设计
2.4自动化控制与智能调节
综上,本次研究深入分析并实践探索污水处理厂供配电系统,提出兼顾可靠性节能性与智能化的优化设计方案,研究显示采用双电源供电节能型变压器及铜芯电缆,能显著提升系统稳定性与能效水平。“网格化分区”线路布局搭配自动化控制技术应用,实现了能耗精细化管理目标,TN - S 型接地网和三级防雷体系共同作用,为系统安全稳定运行提供坚实保障,伴随智慧化转型进程不断推进,基于PLC 和数字孪生技术的能源管理平台会成未来发展方向。
[1] 谢威.“双碳”目标下污水处理厂电气设计的低碳化研究[J]. 中国资源综合利用,2024,42(09):277-280.
[2] 彭铮铮 . 污水处理厂改扩建工程的电气设计分析 [J]. 电气技术与经济 ,2024,(04):164-166.
[3] 张丽 , 谢佳奇 . 地下式污水处理厂电气设计难点思考 [J]. 智能建筑电气技术 ,2024,18(02):36-38.
[4] 龚利民 , 林峰 , 李震 , 等 . 基于数字孪生的智慧污水处理厂建设和应用实践 [J]. 给水排水 ,2023,59(11):138-143.
[5] 李晓嫣. 城镇污水处理厂供配电系统节能降损方案研究[J]. 工程建设与设计,2023,(18):44-46.
[6] 张博 . 污水处理厂的电气设计及节能措施研究 [J]. 节能 ,2023,42(01):94-96.
参考文献:
作者简介:罗建儒(1986.5-),男,汉族,工程师,本科主要工作方向:水务工程建设、污泥处理