如何快速判断电压表的测量对象
孙新娟
新疆额敏县第六中学
在初中物理电学实验中,电压表是测量电路两点间电压的核心工具,其使用规则“并联接入被测电路”看似简单,但在实际电路分析中,尤其面对复杂电路时,学生常感困惑:电压表究竟测量的是哪个元件或哪段电路两端的电压?
在教学中,我们一般采用的判定方法有两种,一种是定义法:由定义可知: 电压表必须并联在待测电路元件(或电路段)的两端,则电压表测量的正是与其并联的那部分电路两端的电压。另一种是节点法:观察电压表的两个接线柱直接跨接在哪两个(或哪些)元件的两端,则电压表通常直接测量该元件或该组元件的电压。即使学生掌握了判定电压表测量对象的方法定义法和节点法,但由于电压表与用电器并联,在串并联电路中,无论是实物电路,还是形式有变化的电路图中,学生还是不能快速准确的判断出电压表究竟测量的是哪一部分的电压,更不要说相对复杂的电路了。基于上述原因,结合 20 多年教学经验,我总结出能快速判定电压表的测量对象的方法“画圈法”,在应用到教学中后,学生对于判定电压表测量对象的题型得分率明显提高。希望能给不知道如何讲授的教师和解答这类题有困难的同学以启示。
在分析了大量的电路,以及多年的教学经验我总结出了一个快速秒杀判定电压表测量对象的方法:“画圈法”,也是电学中一个非常实用、快速的技巧。由定义法可以知道:电压表测量的是它“直接并联”在哪个(或哪些)用电器(或电源)两端的电压。那“画圈法”如何操作能快速判断的呢?
可以按照以下步骤进行:1. 暂时忽略电路中所有的相当于导线的电流表和其他的相当于断路的电压表,因为它们对我们要画的圈没有阻碍作用。2. 选定你要判定的电压表: 确定你要判断测量对象的那个电压表(V)。3. 从电压表出发画一个圈:从选定电压表的一个接线柱出发,沿着导线(可以经过开关、电流表、用电器(电阻、灯泡、电动机等),但不能经过其他视为断路电压表和电源,向任意方向走,并尝试走回该电压表的另一个接线柱。在画圈的过程中,要圈住你所经过的所有用电器(电阻)。4. 确定电压表测量的对象:如果最终你成功画出了一个闭合的圈,并且这个圈里只包含了一些用电器(电阻)(可能是一个,也可能是多个串联),不包含电源,那么电压表测量的就是圈内所有用电器(电阻)两端的总电压 ; 如果这个圈里包含了一个电源和用电器,那么这就是一个无效圈,不能测出被圈住的电源或用电器的电压。例如图一:
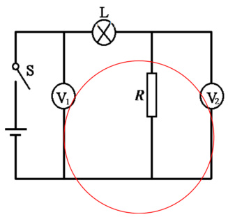
图一

图二

可以很清晰的看出紫色圈电压表 V2 测的是电阻 R 两端的电压;红色圈电压表 V1 测的是电阻 R 和灯泡 L 的总电压,同时电压表 V1 测的也是电源两端的电压(黄色的圈)。而在图二中你会发现其中任意一个电压表都可以和电源、灯泡 L1、灯泡 L2 画成一个圈,这个电压表测的就是电源两端的电压,也是灯泡L1 两端的电压,也是灯泡L1 两端的电压;因为灯泡L1 和灯泡L2 并联,并联电路各支路两端电压等于电源电压,所以均成立。
图三

图四

但是在图三中我们就会发现:红色的圈中有两个电压表,另一个电压表相当于断路,所以这个圈不成立,属于我说的无效圈;而在图四中绿色圈中既有电源又有用电器,无法判定,也是我说的无效圈。
现在我们有了这些画圈法的法宝,那我们就来看看图五,这幅电路图是我教学这么多年以来,出错率最高的一道题,电压表测量的是与他并联的用电器的电压,所以百分之六十的孩子想当然的就认为电压表测量的就是滑动变阻器两端的电压,但是我们通过画圈法一下就能确定电压表和 R1 画的圈才是一个有效圈,所以电压表测量的是 R1 两端的电压,大大降低了学生的失分率。
图五

图六

通过以上分析我们基本已经掌握了画圈法,而画圈法的最大优势是对于看似复杂的电路能够直接秒杀。如图六,既有电压表又有电流表还有滑动变阻器,学生看到这个电路图想判断是串联还是并联电路都已经有困难了,想准确判定电压表的测量对象就更无从下手了,但是通过画圈法我们可以快速确定出电压表 V1 测的是电阻 R1 两端的电压(红色圈),电压表V2 测的是滑动变阻器两端的电压(绿色的圈)。
熟练掌握这个方法,可以快速准确地判断复杂电路中的电压表测量对象,有效降低学生对电学的畏惧,同时也提升了教师的教学质量,因为在这几年的教学中我利用画圈法后,学生这部分知识掌握程度明显提升,给同年级的物理教师交流使用后,也得到了教师和学生的认可,也希望通过这篇文章让更多的人掌握的这个方法,为提升整体的物理教学水平贡献自己的一份力量!