关于低压电动机工/ 变频运行保护隐患及整改措施
王成义 纪国帅 周润泽
中国石油大连石化公司 辽宁 大连 116031
1 低压电动机工/ 变频回路基本构成
1.1 基本电气元件组成
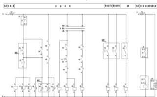
低压电动机控制回路可分为工频运行和变频运行两种运行方式,其主回路、控制回路电气原理图如图 1、2 所示。变频运行回路主要由交流接触器 KM1、交流接触器KM2、变频器、时间继电器KT1、时间继电器KT2 等电气元件组成。工频运行回路主要由交流接触器 KM3、电流互感器,电动机微机保护监控装置等电气元件组成。
2电1a冰津输点


1.2 控制原理
1.2.1 变频回路控制原理
旋转开关扳至变频处,中间继电器 KA2 线圈得电,KA2 常开触点闭合,常闭触点打开,工 / 变频互锁。按下启动按钮 SB1,中间继电器 KA1 线圈得电,KA1 常开触点闭合自锁,时间继电器 KT1 线圈、KT2 线圈得电,时间继电器KT1 常开触点瞬时闭合,交流接触器 KM1 线圈、KM2 线圈得电,交流接触器KM1、KM2 主触点闭合,时间继电器KT2 常开触点延时闭合,变频器工作输出,电机启动运行。
1.2.2 工频回路控制原理
旋转开关扳至工频处,中间继电器 KA2 线圈不得电,保持原状态,按下启动按钮 SB1, 中间继电器KA1 线圈得电,KA1 常开触点闭合自锁,同时使工频回路导通,交流接触器 KM3 线圈得电,KM3 主触点吸合,电机启动运行。
1.3 回路保护方式
1.3.1 变频回路保护方式
变频回路运行时,回路保护主要由变频器实现保护功能。变频器故障(报警)设有过电流、直流母线过电压、直流母线欠压、逆变器散热器过热、过载、断相等保护功能。
1.3.2 工频回路保护方式
工频回路运行时,回路保护主要采用电动机微机保护监控装置实现保护,该保护装置集保护、测量、控制、总线通讯为一体,可实现热过载、堵转、起动超时、单相接地、断相、电流不平衡、欠电流、过电压、外部故障、反相序等多个故障跳闸(报警)功能,还具有操作运行记录、起停记录、跳闸事件记录、再起动记录、开关量变位记录等信息记录功能,为信息(故障)查询处理提供便利。
2 控制回路隐患及整改措施
2.1 微机保护装置自身故障导致变频运行电动机停机
2.1.1 故障描述
某企业生产装置一空冷电动机处于变频运行方式时发生故障停机,检查发现变频器发出“欠电压”报警信号、断路器脱扣动作、接触器线圈失电。电气维护人员现场检查电动机绝缘值、电动机直流电阻、电缆绝缘、变频器整流桥、各部分电气元件及接线均正常,最终排查发现系电动机微机保护监控装置故障误动作使保护装置 R2 出口(单相接地保护出口)动作闭合,断路器脱扣线圈得电动作,断路器跳闸,变频器因欠电压保护停机,进而引发电动机停机。
2.1.2 整改措施
查电动机微机保护监控装置说明书可知,当保护装置继电器 R2 动作后,延迟 200ms 联动继电器 R1(其余保护跳闸出口), 通过二次原理图可知该电动机在变频运行状态时,用于工频运行的电动机微机保护监控装置无论因何种原因致使保护跳闸出口 R1 或 R2 动作,都会导致控制回路断路,造成电动机失电停机。因此在变频运行过程中,需将微机电动机保护监控装置的 R1、R2 保护出口退出控制回路保护。
具体整改措施为:在控制回路R1 处并接工变频转换开关变频回路旋钮状态点(1-2 点),当旋钮置于变频运行状态(旋钮旋置 1-2 点)时,R1 被短接从而实现变频运行时该保护退出回路保护,不会触发电动机因失电停机,在工频运行状态(旋钮旋置3-4 点)时,该短接线断开连接,R1 正常运行,保护回路工作。同理,在控制回路 R2 处串联工频回路旋钮状态点(3-4 点),当旋钮置于变频运行状态(旋钮旋置 1-2 点)时,R2 所在回路因旋钮状态点(3-4 点)断开无法构成回路,则在变频运行状态时不会触发因 R2 误动作造成电动机失电停机,而在工频运行时旋钮状态点(3-4 点)闭合时,R2 可正常投入控制回路实现保护功能。
2.2 电网晃电导致变频电动机停机
2.2.1 故障描述
某企业因需保持长周期运行,部分低压变频电动机缺少抗晃电功能,在外电网出现晃电波动时,导致电动机停机。
2.2.2 整改措施
如图 1 所示,当外电网或本所或上级系统出现电网晃电时,电压下降至主回路接触器失电断开(同时控制回路中接触器自保持点断开),引发主回路失电,变频器“欠电压”保护电动机停机;当电网在规定时间内恢复时,电动机无法完成自启。

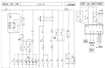
为实现“晃电不停机,晃电不停装置,晃电不造成生产波动”变频电动机回路增上抗晃电功能,如图 4 所示,为变频电动机控制回路增加抗晃电模块,在抗晃电模块 1# 端子前额外配置一个熔断器 FU,熔断体熔断电流不大于控制回路熔断器 FU1(当抗晃电模块故障时,可通过熔断器 FU 实现断开,防止对控制回路整体造成影响)。由接触器 KM 额外引出一组常开接点,接至 DZQ :3、DZQ :4 端子,用于判定电机运行状态(抗晃电模块启动条件需同时满足接触器KM 断开、电源电压失电两个条件)。在控制回路中接触器自保接点两端并接 DZQ :6、DZQ :8 端子,用于在晃电期间替代自保持接点,晃电结束后使接触器线圈吸合、自保。在变频器端增加 DZQ :9、DZQ :10,DZQ :5、DZQ :7两对端子用于变频器复位与启动。
2.3 变频器本体故障无法自动切换至工频回路,导致电动机停机
2.3.1 故障描述
变频回路主要由变频器、电缆、电动机三部分组成,长期运行后变频器的故障率相对较高。当变频器发生故障,为保证生产的连续性,避免电机突然停机对生产造成大的波动,故提出设计变频器本体故障自动切至工频运行,尽可能降低对生产的影响。而工频运行时主要由电缆、电动机两部分组成,当电动机或者电缆发生故障时,如果切换至变频运行,可使电动机二次带故障开机,造成供电系统波动,使故障扩大。
2.3.2 整改措施
在控制回路中新增加一中间继电器 KA6(为“变频器故障切换工频”继电器),将变频故障信号 KA5 常开触点与 KA6 自锁常开触点并联后与中间继电器KA6 线圈串联,将 KA6 常开触点引入微机综合保护装置 S5 用于变频故障切换工频指示,在变频回路 KA2 常开触点下端至工频回路 KA2 常闭触点下端并接KA6 常开触点,当变频故障切换至工频时,回路通过 KA6 常开触点吸合,使得接触器KM3 吸合,电动机进行工频运行,保障电动机不会因为变频器故障而停机。且转至工频运行时因旋钮状态 点(1-2 点)串接KA6 常闭触点、旋钮状态点(3-4 点)并接 KA6 常开触点,此时微机保护的 R1、R2 正常投用,实现了电动机的保护功能。
3 结语
在炼化企业生产工况中,变频器作为可调速驱动系统一种,应用变频驱动技术改变交流电动机工作电压的频率和幅度,可以实现电动机软启动、加减速控制,具有显著的节能效果。低压电动机工 / 变频回路的应用可以大大提高生产过程的控制精度、生产效率,从而提高产品质量。
参考文献
[1]《华建微机电动机保护监控装置说明书》
[2]《西门子0.12KW-250KW 标准变频器说明书》
[3]《DZQ 电动机再起动控制器说明书》