ZB25 包装机盒装底部开边检测装置的设计与应用
王磊 谢旭东 王志伟 崔荣超 冯明 张庆元
山东中烟工业有限责任公司青州卷烟厂 山东青州 262500
Abstract: T he Z B25 packaging unit consists of Y B25 small box packaging machine, Y B55 small box transparent paper packaging machine, Y B65 strip box transparent paper packaging machine, and Y B95 strip box transparent paper packaging machine. T he Z B25 soft bag hardening unit is affected by the quality of incoming materials in the small box, environmental temperature and humidity, latex paste quality and other factors, and the bottom of the small box cigarette pack is not firmly pasted and the edge is open. After the cigarette pack enters the Y B55 small box transparent paper wrapping machine, the unpasted bottom edge is in the rapid transportation of the cigarette pack transmis ion synchronous tooth belt. A large shear force will be formed between the trademark paper and the upper cover plate of the cigarette pack conveying channel, and the shear force will tear the extended bottom edge to different degrees, resulting in damage to the small box and entering the next process, seriously affecting product quality and equipment operation efficiency. In order to solve the above problems, an open edge detection device at the bottom of the cigarette pack is developed. When the unpasted bottom edge passes through the detection device, the detection device will trigger the stop signal and the equipment will stop alarm, thus avoiding the problem cigarette pack from entering the next proces , which is of great significance for the improvement of product quality and equipment efficiency.
Keywords:Z B25 packaging machine, cigarette bag tearing, detection device
1 引言
ZB25 软包硬化包装机是在 ZB25 软盒包装机组的基础上升级改造形成的,因其包装方式新颖而又节约材料,十分受烟民和企业的欢迎。该机型具有包装质量好、性能稳定、运行速度快、自动化程度高的优点,是目前卷烟软盒硬化包装设备的主流机型。但是 ZB25 软包硬化包装机组在YB55 小盒透明纸包装机位置出现露白、底边撕裂、小盒堵塞等一系列问题的频率较高,如何解决此类问题,避免其流入下道生产工序或影响生产效率成为卷烟厂包装设备维修人员亟待解决的一项重要工作。
2 烟包包装破损原因分析
YB25 小盒包装机生产的烟包经输送带进入 YB55 小盒透明纸包装机,完成小盒透明纸的包装热封工作,在经过输送带到达 YB55 型小盒透明纸包装机前端时,硬盒小包转向装置的转向轮通过吸风负压将小盒烟包从输送带转向输送到烟包传送同步齿形带上[2]。实际生产过程中,受原辅材料、胶液粘度、上胶量、折叠间歇等问题的影响,经过通道输送后,会出现烟包底部粘贴不良翘边、开边的情况。烟包在输送通道经过转向轮后,由首尾相连的纵向输送转变为同步齿形带上的单包横向输送,若烟包底部侧边翘开,伸展开的底边则会沿输送轨道两侧表面进行横向运动,翘开的底边在经过 YB55 烟包传送同步齿形带时,由于烟包输送速度较快,导致商标纸同烟包输送通道上部盖板间会形成较大的剪切力,剪切力会对伸展的底边形成不同程度的撕裂(如图 1),从而造成不合格品的出现或者出现严重的设备堵塞故障,严重影响产品质量和设备运行效率。

3 烟包破损问题的解决路径
针对上述烟包破损问题,青州卷烟厂卷包车间的生产、维修人员经过分析后认为小盒商标纸粘贴不牢问题受环境、原辅材料等影响较大,从根本上解决商标纸粘贴不牢的问题难度较大。如果能够阻止其进入下一道生产工序,对于解决此问题带来的质量、效率影响将大有帮助。
目前,在卷烟工业生产中,图像在线检测技术已经被广泛应用,用以确保产品质量和一致性,尽管这些在线检测技术能够解决大量传统方法难以处理的问题,但在某些特定情况下,仍存在一定的局限性。例如卷烟包装设备的小包成像检测装置能够很好的对上述缺陷进行检测剔除,但由于此类破损烟包的形成位置位于 YB55 透明纸包装机的烟包传送同步齿形带上,位于小包成像检测位置之后,且在 YB55 烟包传送通道位置上并不具备安装成像检测的空间位置等条件,使用在线视觉检测技术解决此类问题存在困难。
基于此,青州卷烟厂卷包车间的包装设备维修人员提出了一种利用紧凑型机械式检测设计来解决小盒底部商标纸撕裂的破损烟包的思路,此思路旨在弥补设备改造缺陷、原辅材料波动等影响,具有设备投入费用低,简单实用有效的特点,能够有效的防止上述破损缺陷烟包流入下道生产工序或影响设备生产效率。
此方案的优势主要体现在几个方面
(1)适应性。紧凑型设计使得检测系统能够适应现有的生产布局,无需大规模改造。
(2)经济性。相比于复杂的在线视觉检测系统,这种解决方案成本更低,更加经济实惠。
(3)高效性。通过针对性的设计,可以快速识别并剔除缺陷烟包,保证产品质量。
(4)可维护性。简单的设计使得维护和调试变得更加容易,减少了停机时间和维护成本
4 紧凑型机械式检测的设计思路
维修人员对比分析烟包输送路径及商标纸撕裂原因,受设备空间和生产环境的影响提出解决问题的设计思路(流程图如图 2)。在烟包底边接触到输送通道上部盖板前,安装相应的检测装置,实现对烟包底边开边的检测。当检测到烟包底部开边时,发出控制信号控制设备停机并报警提示操作人员进行检查、取出底部开边烟包,防止问题烟包流入下道生产工序。

5 底部开边检测装置的设计方案
5.1 安装位置设计
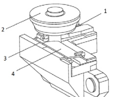
通过对小盒烟包转向输送装置(如图 3)包括互相垂直的输入通道 1 和输出通道 3,在两个通道之间设有转向盘 2,转向盘下方周向均布有真空吸附爪,小盒烟包被真空吸附爪吸附输送至输出通道3,输出通道 3 上有传送链压板4。
对比硬盒烟盒来说,如果被传送链压板 4 割裂小盒盒皮,那么就能立刻使压板抬起,设备触发停机,但是软包硬化烟包由于其包装纸张的原因,不能实现触发停机。
通过现场观察、测量、分析,确定烟包底部开边检测装置的安装位置为转向轮后烟包齿形带内侧,为了保证检测的安装不影响设备正常运行速度,以及不产生新的包装质量问题,计划借助输送通道原有的孔隙,使用尽可能小的空间,利用螺栓连接,将检测装置安装到位。

5.2 安装传感器及支架设计
为了确保烟包底部开边检测的可靠性,同时减少误检测的情况发生,我们基于烟包在输送通道内的运行特点以及烟包底部撕裂开边的具体状态进行了深入的研究。考虑到光纤传感器具有高度的灵敏度可调性,可以根据不同的应用场景和环境条件选择最合适的检测模式[3],团队最终选择了光纤传感器作为故障触发传感器。
根据烟包底部开边检测装置的功能及安装要求,设计安装机架(如图 4),同时,绘制了安装机架的图纸,并将选择的光纤传感器安装于机架上部安装孔处。机架采用了高强度材料制造,确保了足够的机械强度和稳定性。此外,机架上设有精确的安装孔位,以便于光纤传感器的快速安装和调整。通过这种方式,不仅可以确保传感器的定位精度,还能方便后期的维护和调试工作。

5.3 控制电路设计
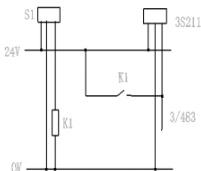
原机 YB55 控制系统比较封闭可拓展性较差,分析检测装置的功能要求,设计出控制电路(如图 5),其中 S1 为光纤式传感器与其放大器,控制电路与原机自带检测点 3S211(小盒透明纸堵塞检测)相并联,并通过3/483 线路接入主电柜,当开边烟包底边经过光纤传感器时,触发传感器信号发生变化,通过继电器控制闭合相应电路,使堵塞信号得到触发,控制设备停机并显示“CH 小包透明纸堵塞”,提示操作人员进行检查并取出底部开边烟包。

6 设计应用效果
系统运行后,为进一步验证装置的可靠性,制备试验样品100 个对系统识别效果进行测试,试验结果如表1 所示。

由试验结果可知,信号识别率和设备停机准确率均为 100% ,综合准确率为 100% ,使用效果良好。
7 结论
烟包底部开边检测装置在 ZB25 型软包硬化包装机上的安装与使用,标志着紧凑型检测设计技术在实际生产过程中具有广阔的前景。经过为期三个月的有效性验证,该装置成功地检测并排除了所有底部开边不合格的烟包,可以有效地避免因商标纸撕裂或粘合不良而产生的次品流入市场,显著提升了整体生产效率,极大地减少了因质量问题导致的客户投诉,进而维护了品牌形象和消费者的信任度。
参考文献
[1] 黄德良 .ZB25 型包装机组 [M]. 北京 : 中国科学技术出版社 ,2001
[2] 苏克健 ; 王平 ; 苗健 . 硬盒小包转向装置在 Y B55A 型盒外透明纸包装机中的应用 [J].烟草科技 ,2009(08)
[3] 贾伯年等 . 传感器技术 [M]. 南京 : 东南大学出版社 ,1994
作者简介:王磊(1978- ),男,包装机械维修技师,山东省青州市,主要从事卷烟封装设备机械维修。
通讯作者:王志伟(1992- ),男,包装机操作工兼生产线长,助理工程师,山东省青州市,主要从事包装机设备操作和基层生产班组管理。
张庆元,山东省青州市云门山街道政法街爱恋家纺。