编程控制器电梯的技术调试
仲吉林
通力电梯有限公司无锡分公司 江苏省无锡市214000
摘要:电梯是一种用电力拖动的特殊升降机械,是现代城市建设中应用最广泛的垂直交通运输工具。随着技术的进步和经济的发展,人们对电梯的关注越来越多,对电梯的安全和性能提出了更高的要求。电梯的现场调试是保证电梯质量和性能的重要因素,它将直接影响着电梯今后的正常运行,正确调试后的电梯应安全可靠、功能齐全、乘坐舒适。本文就自己的经验以可编程控制器PLC电梯为例阐述一些技术性的调试。
第一章 电梯运行程序设计
1.1 程序功能
图1-1为电梯运行控制的示意图(以4层站为例)。当轿内或外呼只有一个指令信号时,电梯运行至该楼层后,停止运行;当有多个指令信号时,电梯在同一个方向依次运行停靠后,再反方向依次运行停靠。

1.2 程序编制
一.图1-2为电梯向上运行的控制程序。当电梯停在一楼时,M101(2楼)、M102(3楼)、M103(4楼)、M104(5楼)、M105(6楼)全部闭合,此时当有2楼及以上内呼或外呼有信号登记时,Y31(2楼内呼)或Y37(2楼外呼上行)接通,M26得电,电梯运行方向为上行。

二.图1-3为电梯向下运行的控制程序。当电梯停在6楼时,M104(5楼)、M103(4楼)、M102(3楼)、M101(2楼)、M100(1楼)全部闭合,只M105(6楼断开),此时当有5楼及以下内呼或外呼有信号登记时,Y34(5楼内呼)或Y42(5楼外呼上行)接通,M27得电,电梯运行方向为下行。


第二章 电梯的调试与运行
2.1通电前检查和确认
一.按照电梯厂家提供电气原理图,检查主电源回路和电气控制回路接线是否规范、可靠、阻值符合要求。
二.按电气原理图纸检查各路输入输出电压是否在正常范围内、绝缘电阻是否符合要求。
三.客户提供的主电源是否为正式电源,电源控制柜接线、控制柜与马达接线是否准确牢固。
四.检查制动器电源接线、编码器安装及接线或插件是否正确。
五.送电之前,必须检查机房、井道内所有接地线是否满足要求:
1.接地电阻应小于4,接地线截面积应大于2mm
2.采用一点接线,接地线尽量短。(一点接线如下图示)
3.不允许控制柜,电机等接地点串联;不要使电焊机或大电流设备与本系统共地。

4.将电梯停在中间平层位置。
5.确认将控制柜紧急电动开关处于“紧急电动”位置,动作急停开关。
6.轿顶检修开关恢复于“正常”位置。
7.检查客户提供的三相五线制电源:电压应为380±7%VAC,ABC相间电压偏差小于15VAC,ABC单相与零线的单相电压为220±7%VAC。
8.确认井道、轿厢无人,并具备电梯安全运行的条件。
2.2正式通电后确认
一.确认总电源上端电压正常,侧身送电后,相序继电器吸合灯亮,表示相序正确。如灯不亮,断电重新调换任两相ABC进线。
二.控制柜紧急电动开关恢复至“正常”档位后,安全回路接触器线圈KY,KY1得电后吸合,变频器工作灯亮开始运行。如图2-1所示

三.测量控制柜的变压器输入、输出电压是否符合图纸要求,其测量值在±7%范围内,若不在范围内,断开负载侧接线进行检查并处理。如图2-2所示

四.电梯测量确认正常后,进行以下检查和确认:
1.电梯安全回路、轿门厅门门锁回路是否得电接触器吸合。
2.电梯在门区时门区信号灯,端站限位、强迫减速信号是否正常。
3.门机开关门是否正常。
4.电锁信号,消防开关信号是否正常。
2.3系统参数调试
电梯慢车试运行之前,变频器参数需一一设置完成。电动机的参数通过电动机的自学习完成。变频器数字操作器的键的名称和功能如图2-3所示

一.操作键的名称和功能


二. 自学习模式
1.转动型自学习
矢量控制模式,设置T1-01=0,导入铭牌数据。按“RUN”,变频器控制电动机停止约60S,再控制电动机转动约60S,自学习电动机里的全部参数。
2.停止型自学习
矢量控制模式,设定T1-01=1后,导入铭牌数据。按“RUN”,变频器控制电动机在停止约60S,自动测定电动机参数,其余参数在驱动模式中最初运行时自动学习。
3.电动机线间阻值自学习(停止型)
应用于全部模式。VVVF控制和带VVVF控制模式只能选择该学习模式。电动机电线长度≥50000mm和实施自学习后,现场电动机电线长度变化或电动机和驱动容量不同时,可优化误差。设定T1-01=2,按“RUN”,变频器控制电机在停止约20S后通电,自动测试电动机各线圈阻值和电源线间电阻。
4.电动机自学习备注:
电动机的额定电压大于变频器的输入电源时,不能饱和变频器的输出,可以适当降低电机的基极电压。按以下次序自学习。
a.参数T1-03:电动机额定电压,输入电源输入电压。
b.参数T1-05:电动机的基频,输入计算值。
(电动机基频)X(T1-03的设置值)/(电动机额定电压)
c.开始自学习,自学习结束,设置参数E1-05(电动机最高频率)电动机基频。

d. 输出最高频率、基频不同时,自学习后,设置最高输出频率(E1-04)。
e.自学习时,设定其他必须的参数。
2.4慢车试运行
一.机房紧急电动运行---紧急电动试运行前,确认控制柜紧急电动转换开关拨于“紧急电动”的位置;轿顶检修转换开关拨于“正常”的状态位置;检查所有安全开关机回路、所有轿门厅门锁是否闭合及回路正常、没有非法短接;编码器与电动机轴安装到位、端子接线正确无误;电动机抱闸接线可靠无误;送电后确认控制柜安全回路接触器、门锁接触器,其他正常接触器吸合,变频器得电后工作灯亮起并显示正常,确认参数设置是否正确无误。
二.测试运行---电梯机房紧急电动试运行时,应同时按住控制柜操作盘上的“上行或者下行+公共安全按钮”,电梯应以设置的慢车检修速度上行或者下行。同时确认变频器显示的速度与方向。当电梯上行时变频器显示为正,当电梯下行时变频器显示为负。
三.轿顶检修优先运行---机房紧急电动转换开关无论正常或紧急电动状态,轿顶检修均可优先运行。
四.门机调试---根据门机随机说明书和电气原理图进行配线。在门机调试中,若发生按开门时,门机关门;按关门时,门机开门。则对调变频电动机线路U、V、W任意两相,不能对调开、关门按钮线路。
五.电梯井道上下自学习---电梯以慢车运行检修速度运行、测量记忆各楼层的位置和脉冲。楼层位置是电梯正常起动、加减速、停止运行的基础及寻找楼层地址的依据。所以,正常快车测试运行之前,必须进行电梯上下井道自学习。
电梯井道自学习方法:
1.确认各厅门、轿门必须处于关闭状态,井道内轿顶、轿内、地坑不准有人。
2.井道内各安全开关安装接线正确,随行电缆安装到位及呼梯接线正确;上、下端站强迫减速开关、限位开关、极限开关安装接线正确;平层开关与平层板安装接线正确。
3.在“机房紧急电动”状态,同时按“上行+下行”(必须同时按,否则电梯会慢车运行),不要放开,再按“公共”安全按钮,此时看到控制柜显示有方向时(曳引机未启动前),同时释放所有按钮,将检修开关复为正常。
4.若电梯轿厢在底层平层位置时,电梯会自动向上自学习;不再底层时,电梯则自动找到底层平层位置,然后重新按以上操作,到顶层平层停止,自学习结束。
5.设定基站:在自学习时短接COM-轿内指令(A1…An),如基站设在1楼,就短接PC0与A1。
6.设定消防基站:在自学习时短接COM-厅外上呼指令(AS1…ASn),如消防设在1楼,就短接PC0与AS1。
2.5电梯正常速度(快车)试运行
电梯井道自学习成功保存数据后,可快车试运行。
一.将电梯轿厢内钥匙开关旋于有司机状态。
二.在控制柜内模拟单层、双层、多层及全层呼梯信号。
三.检查电梯在每次运行过程中均能正常起动、加减速、停车及开关门。
四.如运行有故障,检查排除。
2.6电梯运行的舒适感调整
如电梯运行的舒适感及平层精度超出范围值,先检查机械:导靴、钢丝绳张力等。然后可对控制部分进行确认。
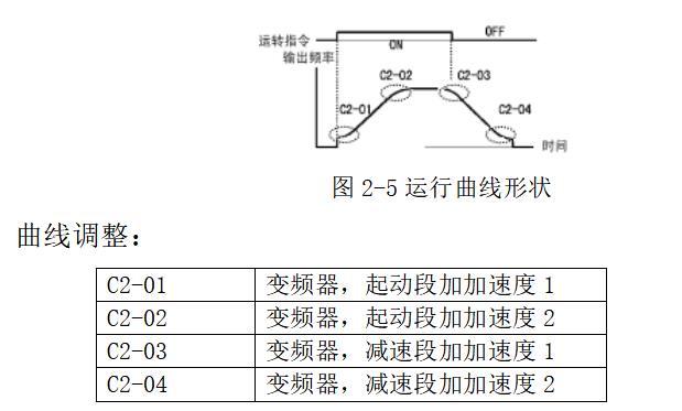
变频器按给定的起、制动参数值控制电动机的运行。因此电梯的起、制动曲线形状,电动机的反馈及PLC逻辑直接控制着电梯舒适感。运行曲线如图2-5所示

2.7电梯平层精度微调
电梯平层精度微调需在舒适感调整后开始进行。精确的平层首先需要平层感应器与平层板的安装严格符合工厂要求:感应器开关之间距离的中心与平层板中心相重合;感应器开关插入平层板的深度要足够。现场微调时,应先微调其中一个中间楼层,调到±5mm范围内。以此参数为参照,再微调其余楼层。
2.8调试常见故障
一.无减速后爬行或减速后爬行时间过久
电梯在进入减速区后进入爬行状态,这是保证电梯精准平层停车的基本条件。如没有减速后爬行,说明减速曲线过大;如减速后爬行时间过长,说明减速曲线过小。这时调整减速曲线:既有爬行,又不过长。
二.上行时平层低或上行平层高,下行平层低或下行平层高
电梯停车后出现上行低下行高,则上移平层隔磁板;
电梯停车后出现上行高下行低,则下移平层隔磁板。
三.紧急电动运行时,变频器显示的速度不稳定或与偏差较大
则断电后将编码器的A、B相对调接线,重新测试运行检查。
四.电梯运行方向与按钮标识方向相反
将变频器至电机的两端任意两相线对调,同时对调编码器的A、B相。重新上电试运行。
五.检修运行电梯实际运行方向与轿顶检修上、下方向按钮相反
检查调整按钮接线。
参考文献
1.《电梯安装维修工》 中国劳动出版社 1994年9月第一版
2.《电梯专用变频器调试手册》 人民邮电出版社 2007年2月第一版
3.《电梯工程技术》 河南科学技术出版社 2005年3月第一版