地下箱型钢筋混凝土结构设计研究
周磊
湖北省城建设计院股份有限公司 湖北省武汉市 430000
引言
地铁车站自身的结构组成比较复杂,目前多采用钢筋混凝土材料施工,因而施工前需要做好结构设计,确定结构尺寸、截面高度、配筋等情况。对于地铁车站这类地下工程的特殊建造要求,箱型钢筋混凝土结构较为常见,在施工方面有着很大的便利,但是设计难度较大。
考虑到箱型钢筋混凝土结构的整体性较强,进行结构设计时,一般按矩形框架设计及内力计算,顶板和底板既可看作受压构件,也可视为受弯构件,具体以哪种构件形式下受力较大来决定,取最大工况以保障设计的可靠性[1]。因而,在进行结构设计时,需要准确确定顶板、底板、侧墙的弯矩、剪力和轴力,以作为配筋设计的参考。
1.地下箱型钢筋混凝土结构设计要点
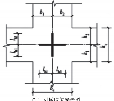
1.1 刚域设置
相对民用建筑而言,地铁车站结构纵向结构较长,受水和土的压力影响,侧墙和板弯矩存在的剪力比较大,对于板与侧墙连接处形成的这个特别的区域,由于抗弯刚度无限大,一般称为刚域。对于实际的地下结构设计,并不存在真正的刚域,但是对于钢筋混凝土结构设计,考虑到钢筋混凝土材料存在变形的性质,应作刚域设置以简化计算,提高设计的有效性。这种做法在业内已经成为共识,可以根据结构设计实际需求选择。但是目前国内设计规范对刚域描述较少,根据高层建筑混凝土结构相关规范,如果钢筋混凝土结构构件的尺寸相对较大,出现刚域时,在进行配筋计算时,需要合理地选取刚域尺寸(参考下图1)。
计算公式:
,
;
,lh2=h2
;
特别情况下,刚域长度为负值时,其值取零[2]。

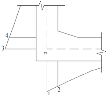
1.2 削峰处理
如果结构设计时没有采取刚域处理,则可以对弯矩进行削峰处理,即两种情况不能同时采用,根据实际情况择一即可。而削峰的关键就是对支座点处弯矩如何取值,以地铁车站结构设计为例,在对底板支座进行配筋设计时,支座弯矩参考下图2。由图可知,虽然最大弯矩在位置1,但是如果将危险截面设置在此处,侧墙宽度不合理,因而危险截面可以转移到位置 2 处,按照此处弯矩值弯矩值进行配筋设计。对比相应的设计规范中对侧墙边弯矩配筋的计算弯矩值,与位置 2 处弯矩值基本一致,说明采用侧墙与底板交界面位置 2 弯矩值配筋较为合理。
但正常削峰后,对比边墙中心位置 1 处弯矩,侧墙与底板交界面位置 2 处弯矩值减少了约 1 0 %~2 5 % 之间。为提高结构设计的可靠性,可设置最大减小幅度为 1 5 % ,以此控制配筋弯矩值,使削峰处理合理。
图2 车站底板边支座弯矩示意图

1.3 受力特征
在结构设计的配筋设计中,对于侧墙和板配筋,常按照压弯构件和纯弯构件两种受力形式进行内力计算和验算。对比实际计算模型,这两种构件并没有轴力产生,但若不考虑轴力影响,实际的配筋参考受力会较大,使得配筋率较高,设计显得不够经济。因而考虑轴力影响有助于优化板和侧墙的受力分布,在进行结构受力分析时应适当考虑轴力。
而轴力受到侧墙水压力和土压力的影响比较大,为了使轴力取值合理,不仅要考虑轴力与水位的关系,还要考虑最高水位的存在时长,因而以最高水位定轴力值,会导致板轴力值大于现实的受力情况。而对于侧墙,轴力主要由车站顶底板荷载传递产生,由于顶底板荷载较为稳定,侧墙产生的轴力也较为稳定,进行侧墙配筋计算时基本可采用计算轴力配筋。对于水位和活荷载的影响,可以对轴力计算值折减 80 % 来进行配筋计算,不仅使轴力合理,也能保障结构的安全性、可靠性。
1.4 形状优化
结构形状优化是制订给定条件下结构最优设计方案的方法,对于地下箱型钢筋混凝土结构,形状优化的对象为构件外形、空间位置。优化原因是因为对于地铁车站这种结构复杂,竖向结构变化性较大的结构,需要保障结构拓扑关系不发生变化。优化时需要根据长度、角度来进行参数设计,以调整结构受力分析时的几何形状,使结构内部受力、传力更加清晰,从而有效提高地下结构强度。
优化时可以采用最优化数学方法,在给定约束之下来确定构件形状,使其达到最优。通过建立优化模型,采用最优化方法对目标函数(或损失函数)进行优化来训练出最好的模型,进而确定最合适的几何形状,优化断面结构,以满足地下结构功能与综合性要求,提升结构安全,降低工程造价[3]。
1.5 截面高度取值
以明挖地铁车站结构设计为例,由于板和侧墙通常需要进行加腋处理,使得计算截面发生变化,为此,在进行受弯、受剪计算分析时,需要结合实际考虑因腋角导致的截面增加高度。如在进行受剪计算时,可以采用增加后的高度,因为板和墙不能像梁一样采用箍筋或弯起钢筋抗剪,增加抗剪截面截面高度可以提高板和墙的抗剪效果。
有些工程项目的结构抗剪计算主要是因为没有考虑轴力影响,或是忽视了分布钢筋对提升抗剪性能的作用。而车站侧墙和板与剪力墙类似,应考虑轴力的有利影响,且分布筋抗剪作用。另外拉结筋是否对抗剪有利,能否采用箍筋类似的计算公式,目前拉结筋抗剪理论不成熟,需要进一步研究。
2.地下箱型钢筋混凝土结构设计案例参考
2.1 结构基本情况
参考某无柱地铁车站其中 1m 宽部分的框架结构设计情况,其中车站顶板厚 1.1m,中板厚 0 . 7 m ,底板厚1.1m,侧墙厚1m,底纵梁宽1.3m,高 2 . 4 m 。底板中部设抗拔桩,桩径
。车站断面计算简图如下图3 所示。
图3 车站断面荷载计算简图

2.2 约束设置
地层与结构之间的作用采用弹簧模拟,在水平和竖直两个方向均以弹簧代替地层对结构的水平位移和垂直位移约束作用。结构顶部、底板竖向弹簧,结构侧墙水平弹簧仅能承受压力,剪切弹簧能够承受压力和拉力。抗拔桩约束条件模拟采用限制桩位处竖向位移值为0。设置压顶梁,主体与地连墙共同参与抗浮,以满足整体抗浮要求。
计算时考虑永久荷载,即钢筋混凝土结构自重,顶板吊顶荷载取、水压力。以及可变荷载,如侧墙超载压力、人群荷载结构混凝土收缩及徐变影响力、温度应力、顶板荷载、底板荷载等。
2.3 计算结果分析
计算时可对支点弯矩按中轴线简化横断面计算,不设刚域,不考虑腋角影响,但进行削峰处理。为了对比设置刚域和削峰处理两种不同形式下的配筋计算差异,还要采取第二种计算原则,支点弯矩仍按中轴线简化横断面计算,但按支座1/2 宽度\~0.25 倍板厚设置刚域,不削峰,抗弯、抗剪计腋角作用。
对比采用两种配筋原则计算出的框架准永久组合下的弯矩值、剪力值、轴力值,进行削峰处理后,弯矩值对比中心处降低了 1 0 %~1 5 % ,设置刚域时,仅为 2 %~5 % 。因此,对于该车站工程的结构设计来说,由于车站角部位置的尺寸效应,应按削峰处理下的计算原则来计算端弯矩配筋值,取中心值 8 5 % ~ 9 0 % ,
结语
在地下工程中,箱型钢筋混凝土结构良好、适应性较好,在地铁车站设计中广泛应用。但是这种结构受荷大、跨度大,因而其结构设计颇受重视。而且钢筋混凝土结构将在很大程度上决定着整个工程的质量水平,因而在进行结构设计时,要选择合适的结构模型,并对节点位置设置刚域或作削峰处理,并充分考虑轴力影响,以准确掌握结构受力情况,作出经济合理的设计。
参考文献
【1】GB50010-2010.混凝土结构设计规范(2015 年版)[S].
【2】地铁设计规范:GB50157-2013[S].北京:中国建筑工业出版社,2014.
【3】刘春雨.钢筋混凝土箱型地铁车站断面优化设计[D].郑州:华北水利水电大学,2018.