某石油化工ACH580 变频器及增加工频回路应用
龚学波 董勇
中国石油独山子石化公司供水供电公司 新疆独山子 833699
引言:
目前石油化工变频器应用比较广泛,特别是重要变频器一旦发生故障,将会给运行生产带来影响,甚至出现大面积生产波动情况,基于此,文章主要介绍了ACH580 变频器相关技术端子定义及工频回路应用。
1. 变频器工作原理
变频器(Variable-frequency Drive,VFD)是应用变频技术与微电子技术,通过改变电机工作电源频率方式来控制交流电动机的电力控制设备。
变频器主要由整流(交流变直流)、滤波、逆变(直流变交流)、制动单元、驱动单元、检测单元微处理单元等组成。变频器靠内部 IGBT 的开断来调整输出电源的电压和频率,根据电机的实际需要来提供其所需要的电源电压,进而达到节能、调速的目的。
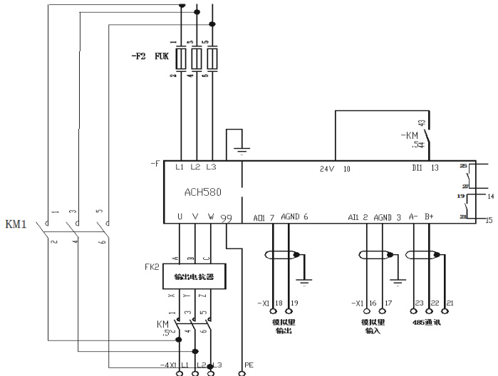
图1 ACH580 变频器带工频主回路接线图

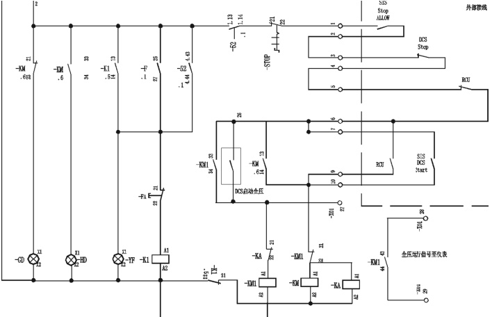
图2 ACH580 变频器带工频控制回路接线图

2.ACH580 变频器主要的端子含义
(1) 端子 25、27 及 19、21 为内部输出继电器常开触点(可以通过参数定义变频器故障、变频器运行);
(2) 端子 AI1 和 AGND 模拟信号输入端子,通过变频器参数 12.15 AI1 单位选择 [10] mA,12.17 AI1 最小值 4.000mA ,12.18 AI1 最大值 20.000mA ,在此
接收 DCS 给定的 4-20mA 模拟信号;
(3) 端子 AO1 和 AGND 模拟信号输出端子 , 给 DCS 反馈 4-20mA 模拟信号;(4) 端子 A- 和 B+ 为通讯线外接端子;(5) 端子 24V 为内部提供的 24V+ 电压输出端子;(6) 端子 DI1 通过参数 20.01 外部 1 命令
启动,20.03 外部 1 输入 1DI1 接收手/ 自动启动命令。
3.回路工作原理
(1) 变频器调速运行模式 , 现场操作柱 RCU 或 DCS 发出启动命令,接触器KM 吸合,同时 KM 接触器对应的 2 对辅助触点吸合,1 对启动变频器,1 对自保持控制回路持续得电;变频器AI1 和AGND 模拟信号输入端子接收给定调速信号量,变频器运行,根据给定信号大小进行变频器调速。变频器同时通过定义端子 AO1 和 AGND,反馈出模拟信号。变频器运行中过流、过压、过载保护等变频器报警、故障动作,一般电动机故障,检查电动机正常,可以复位变频器故障。
(2) 变频器出现严重自身故障模式,变频器故障不能复位,此时输出没有,现场电动机停机。检查现场电动机正常,此时可以 DCS 启动全压,工频运行,启动后,接触器 KM1 吸合,同时 KM1 接触器对应的 2 对辅助触点吸合,1 对输出反馈工频运行信号至仪表,1 对自保持控制回路持续得电。该工频运行回路作为应急,存在缺点有未接工频停止 / 运行指示,需要通过观察接触器 KM1 吸合状态或万用表测试主回路输出端子电压确定输出正常。工频运行保护只是通过主空开实现保护跳闸。
(3) 控制回路启动有 2 种模式,操作柱 RCU 或 SIS DCS Start 启动变频调速运行模式,DCS 启动全压工频运行模式;控制回路停机通过DCS Stop 或操作柱RCU 进行停机。
4. 结论
通过变频器回路图纸的了解,正常情况变频器运行,紧急情况变频器故障,确认电机正常,可远程快速切换至全压运行,保证设备持续运行。这里我们需要对变频器外部端子了解清楚,了解变频器的端子接线及如何定义,根据变频器说明书设定参数调试,满足达到变频器,特殊情况启动工频应急回路,使现场电动机可以继续运行,确保装置持续运行。
参考文献:
[1] ACH580 变频器说明书
[2] 自动控制原理 王兴智编 机械工业出版社
[3] 机电工程常用规范理解与应用 中国安装协会 组织编写 中国建筑工业出版社
[4] 施耐德PLC、变频器入门与应用实训 曾繁玲主编 中国电力出版社