一种适用于城市轨道交通750V 三轨供电系统的牵引逆变器技术研究
蒋鹏
中车长春轨道客车股份有限公司 吉林 长春 130000
摘要:近年来,国内部分城市轨道交通车辆大量采用了 750V 第三轨供电的供电系统,牵引系统是城市轨道交通车辆的核心系统,牵引逆变器从第三轨和受流器吸收直流电能,并转换成变压变频三相交流电,给牵引电机供电,牵引电机将电能转换成机械能,从而推动车辆行驶。本文结合牵引逆变器的设计原则,讨论分析了牵引逆变器的内部组成和控制逻辑,为后续 750V 第三轨供电的城市轨道交通车辆牵引系统的设计制造提供借鉴。
关键词:城市轨道交通;牵引逆变器;750V 三轨供电系统
Abstract: In recent years, some cities in China have adopted a 750V third rail power supply system for rail transit vehicles. The traction system is the system of rail transit vehicles. The traction inverter absorbs direct current from the third rail and the current collector, and converts it into three-phase variable frequency and variable voltage alternating to supply power to the traction motor. The traction motor converts electrical energy into mechanical energy to drive the vehicle. In this paper, the design principle of the traction inverter is to discuss and analyze the internal composition and control logic of the traction inverter, which provides a reference for the subsequent design and manufacture of the traction system of 750V rail power supply rail transit vehicles.
Key words: Urban rail transit; Traction inverter; 750V third rail power supply system.
1、引言
牵引逆变器作为列车主电路的核心部件,主要作用为直—交电能转换,本文所介绍的牵引逆变器在性能优良的基础上还具有高可靠性、高可用性、高安全性以及高维护性。
2、应用条件
2.1 供电条件
车辆由受流器受流,第三轨供电,额定电压 750V,最小工作电压 600V,最大工作电压900V。
2.2 电气关联关系
在牵引工况下,牵引逆变器从第三轨 / 受流器吸收直流电能,并转换成变压变频三相交流电,给牵引电机供电,牵引电机将电能转换成机械能。
在制动工况下,牵引电机将机械能转换成三相交流电能,通过牵引逆变器将三相交流电转换成直流电,通过受流器/ 第三轨反馈再生能量或将电能消耗在制动电阻上。
3、牵引逆变器技术描述
3.1 牵引逆变器组成
牵引逆变器由 1 个独立的逆变电路组成,包含 1 套牵引控制单元 TCU,1 个风机以及其他关联设备。每个逆变电路将直流电转化成三相交流电驱动一个转向架上的两台电机。TCU控制转换,使电机在宽速度和功率范围内运行。
牵引逆变器主要构成如下:
a) 1 个充电短接单元 b) 1 个滤波单元 c) 1 个逆变模块
d) 5 个电流传感器和2 个电压传感器e) 1 个固定放电电阻f) 1 个牵引控制单元g) 1 个散热风机
3.2 功能设计
牵引逆变器采用强迫风冷方式和直接转矩控制策略,反应迅速,可以进行牵引和电制动。
3.2.1 逆变输出
牵引逆变器将DC750V 直流电逆变成变压变频的交流电,一个模块驱动2 台电机。
3.2.2 方向控制功能
牵引逆变器可根据方向、级位控制电机方向,向前指令有效时,变流器按 U,V,W 相序输出;向后指令有效时,变流器按V,U, W 相序输出;从轴伸端看,电机按U,V,W 相序接线时,电机按顺时针方向旋转。
3.2.3 牵引功能
正常网压下,在方向指令有效时,牵引逆变器按照牵引指令判断逻辑以及级位信息,发挥相应的牵引力,驱动车辆前进后退,并满足相应性能要求。
3.2.4 电制动功能
正常网压下,在方向指令有效时,牵引逆变器按照牵引、制动指令判断逻辑以及网络的电制动力请求值,发挥相应的电制动力,使列车减速或停车,并满足相应性能要求。
3.2.5 转矩特性输出及控制功能
牵引逆变器可根据级位信号实现牵引电机的转矩输出,并根据需要实现相应的逻辑控制功能。TCU 根据牵引指令及级位信号,进行载荷补偿、轮径补偿,计算牵引给定力,使得列车加速度与列车级位间呈线性关系;TCU 根据网络系统发送的电制动请求值发挥电制动,并将实际发挥的电制动力反馈给网络系统。
3.2.6 电空配合功能
当车辆需要补充空气制动时,电制动和空气制动转换平滑,无冲击,当车辆速度低于某一限定值时,电制动将逐步由空气制动替代。
3.2.7 防滑 / 防空转功能
牵引逆变器具有防滑 / 防空转控制功能。当滑行发生时,为了适应实际轮轨粘着,减少制动力,制动力按照减速度差值和速度与参考速度的差值计算,按照此差值来调整制动力,制动力将按冲击极限值恢复 ( 默认为 0.75m/s3)。当空转发生时,为了适应实际轮轨粘着,减少牵引力,牵引力按照加速度差值和速度与参考速度的差值计算,按照此差值来调整牵引力,牵引力将按冲击极限值恢复( 默认为 0.75m/s3 )。
4、牵引逆变器主要部件介绍
4.1 充电短接单元
充电短接单元由 1 个充电接触器,1 个充电电阻和 1 个短接接触器组成;充电接触器和充电电阻用于滤波单元电容的预充电,短接接触器用于预充电后的主回路的接通。
4.2 滤波单元
滤波单元由1 个滤波电抗器及1 个支撑电容器组成。
线路滤波器吸收直流输入端的谐波电压,抑制逆变器对输入电源的干扰,使主电路直流侧支撑电容器电压保持稳定并将电压波动限制在允许范围内,满足逆变器开关元件换相的要求,并在逆变器发生短路时抑制短路电流。
4.3 变流模块
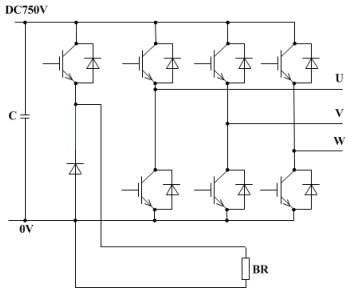
变流器模块采用 IGBT 元件,为两电平逆变电路。单个变流器模块集成三相逆变器的三相桥臂(逆变单元)驱动两台异步牵引电机,以及一路制动相桥臂(制动斩波单元)。逆变模块由7 个IGBT 和1 个独立续流二极管组成,IGBT 通过导热硅脂安装在散热基板上。
三相逆变器为牵引电机提供变频驱动电压,控制电机将电能转化为机械能输出。
图1 变流模块和内部电路图

4.4 牵引控制单元
牵引控制单元(TCU),主要完成对 IGBT 逆变器及交流异步牵引电机的实时控制、粘着利用控制、斩波控制,同时具备完整的牵引变流系统故障保护功能、模块级的故障自诊断功能和故障自复位功能,TCU 是组成列车通讯网络的一部份,与车载计算机通过 MVB 总线交换信息和控制命令。自诊断的结果将被发送到TCMS 系统。
5、结论
本文所述的牵引逆变器技术方案是在综合考虑城市轨道交通车辆的列车特点提出的,并针对供电条件、功能逻辑、内部构成等重点内容进行了详细的分析,能够很好地解决城市轨道交通车辆牵引逆变器的设计问题,对城市轨道交通车辆的设计具有一定的借鉴意义。