一种用于便携式移动播放设备的低待机电流电源装置
任丽梅 闫高峰
大连金华录数码科技有限公司 辽宁大连 116023
1、引言
在便携式蓝光播放机产品中,内置专用锂电池是其主要供电方式,且该锂电池用户无法自行拆卸更换。在此背景下,待机电流不仅直接影响产品能耗,更可能成为导致锂电池永久性损坏的潜在威胁。由于便携蓝光播放机的主要应用场景集中于户外,一旦锂电池出现永久性损坏,设备将无法正常使用,这无疑会大幅增加市场返修率,给企业带来售后成本压力与品牌信誉风险。
目前,市面上的普通便携蓝光播放机产品 为避免因高待机电流引发的电池损坏问题,普遍选择不支持待机功能,仅依靠硬开关实现设备的开 ,硬开关的频繁操作会导致便携蓝光播放机无法保存用户设置 用的连贯性与便捷性;其二,当用户因疏忽未及时关机时,设备将持续 间内快速耗尽,进一步降低设备的使用可靠性与续航能力。因此,深入研究适用 低待机电流电源装置,具有重要的理论研究意义与实际应用价值。
2、系统架构设计
2.1 整体电路设计框图
本文用于便携式移动播放设备的低待机电流电源装置系统主要包括:
1)待机用单片机1
2)待机用单片机供电模块2
3)电源控制模块3
4)主控模块4
5)待机信号输入模块5
图1 低待机电流电源装置的电路框图

2.3 关键电路设计
如图 2 和图 3 所示, 在本设计 机用单片机供电模块 2 采用的电源芯片为 BL8 向待机用单片机 1 进行供电。待机信号输入 中,待机信号输入模块包括按键待机输入 按键待机输入模块(待机按键)连接, 连接。待机用单片机1 的 PB1 引脚为第一 PB5 引脚为第二信号输入接 号输出接口,PB2 引脚与电源控制模块3 的控制端连接
图2 待机用单片机的电路原理图;

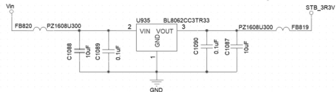
图3 待机用单片机供电模块的电路原理图

3、低待机电流电源装置的实现
3.1 具体工作过程原理
本文的便携式移动播放设备的低待机电流电源装置具体工作过程如下:当待机用单片机的第一信号输入接口检测到待机信号时,待机用单片机通过第一信号输出接口向主控模块发送进入待机状态信号,主控模块接收到进入待机状态信号后对当前的数据进行保存,保存运行时的必要参数,避免因为电源突然关闭导致再次开机时主控模块工作异常,并在完成当前数据保存后向待机用单片机的第二信号输入接口发送待机数据保存完成信号,待机用单片机接收到待机数据保存完成信号后,由第二信号输出接口向电源控制模块的控制端发送控制信号,以实现电源控制模块向主控模块断 以上描述的待机信号、进入待机状态信号、待机数据保存完成信号以及向电源控制模块的控制端发送控制信号均是单片机输出的高或低电平。本文的便携式移动播放设备的低待机电流电源装置,由于设置有 待机用 机能够检测到输入的待机信号,并且当待机用单片机检测到待机信号后,能够 块接收到进入待机状态的信号后能够对当前数据进行保存并在数据保存 据保存完成信号,当待机用单片机接收到待机数据保存完成信号后,待机用单 源控制模块 3 的控制端发送控制信号,以使得电源控制模块断开向主控模块 设备在处于待机状态时,仅有待机用单片机、待机用单片机供电模块和用于给内置电源充放电保护芯片部分电路进行工作,从而大大的减少了功耗,提高了待机时间和使用寿命,进而保证本便携蓝光播放机在长时间待机的情况下,内置锂电池不会损坏,不会出现产品质量问题,同时,由于具有待机功能,因此,可以对便携式蓝光播放机的音量设置等参数进行保持,进而提高了用户使用体验,进一步地,支持待机功能的便携蓝光播放机,可以在用户忘记关机的情况下,提前设置自动待机时间,使产品自动进入待机功能,避免持续工作后锂电池电量快速耗尽;而不支持待机功能的便携蓝光播放机无法实现此功能,锂电池电量会快速耗尽。
3.2 低功耗的优化设计
3.2.1 低静态电路的芯片
本文中采用的低消耗电流的待机用单片机 SZY8A051和低静态电流 LDO 芯片 BL8062CC3TR33给待机用单片机供电,可以进一步的减小待机状态下电能的功耗,减小待机电流,提高了待机时间和使用寿命。3.2.2 双主控芯片通讯架构
主控模块4 包括第一主控芯片单元40 和第 控芯片 信号输出接口与第一主控芯片单元40连接,第一主控芯片 所述第二主控芯片单元 41 连接。 本设 与待机用单片机1 的第一 信号输出 主控芯片单元 41 与待机用 控模块中的所有主控芯片的 脚数量,从而使得本设 出引脚是独立的,当采用待 脚, 例如当主控模块中为两个主控芯片 换待机用芯片则将增加功耗)。
3.2.3 多电源控制单元
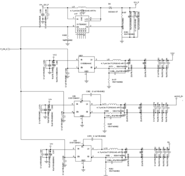
图4 低待机电流电源装置中的电源控制模块的电路原理图

如图 4 所示,电源控制模块包括多个电源控制单 二信号输出接口分别与每个电源控制单元的使能端连接。在本设计中,便携式移动 3.3V电压、AUDIO-5V 电压以及5V 电压以用于给机芯、处理器 源芯片 SY7304DBC、SY8089AAAC、SY8113BADC和 SY8113BADC 组成供 信号输出接口(PB2)分别与电源芯片 SY7304DBC、SY8089AAAC、 C 和 SY8 13BADC 的使能引脚连接,以由第二信号输出接口输出控制信号使能电源芯片,从而对主控模块进行断电。
3.2.4 推挽输出模式设置
待机用单片机的第一信号输出接口和第二信号输出接口均设置成推挽模式,即待机用单片机 SZY8A051的各 IO 口设计均不使用外部上拉电阻模式,同时,第一信号输出接口和第二信号输出接口设置成推挽模式可以进一步降低待机用单片机的待机功耗。
3.2.5 时钟频率的动态调整
本设计待机用单片机处于待机工作状态时,待机用单片机采用低速内部时钟源工作;待机用单片机处于非待机工作状态时,待机用单片机采用高速内部时钟源工作。即当处于待机状态时,待机用单片机进入待机状态,内部时钟源改为低速时钟,当检测到要进入非待机状态(开机状态)后,待机用单片机由外部中断唤醒进入正常工作模式,同时内部时钟改为高速时钟,并控制电源控制模块用于给机器上电。本文通过在待机用单片机处于待机状态时使用低速时钟,可以进一步降低功耗和待机电流。
3.3 智能锁功能的实现
待机用单片机还包括第三信号输入接口,第三信号接口与所述第二主控芯片模块连接,主控模块上设有智能锁模块,当主控模块的智能锁模块功能被开启后,主控模块向待机用单片机发送智能锁功能控制信号,待机用单片机接收到智能锁功能控制信号后,即使检测到待机信号输入后,也不会控制电源控制模块对主控模块断电,使产品进入待机状态。此时只能通过自动待机功能实现待机。该功能通过软件中断优先级机制实现,智能锁中断优先级高于待机检测中断,确保设备在关键任务执行期间不会因误触进入待机状态。
4、总结
经实际测试,该电源装置使便携式移动播放设备的待机电流低至 33μA,远超行业各节能标准要求。本电源装置用于便携式蓝光播放机产 因为应用场景特殊,对产品功率及待机电流的要求都很高(待机电流要求小于 用于电池充放电保护芯片部分电路消耗电流大概 25uA,所以此设计在保证产品在待机状态下,不会因为长时间放置导致锂电池损坏或对锂电池寿命产生影响。
另外此设计装置具备智能锁功能,当该功能开启时,即使检测到待机信号,也禁止手动断电,确保设备安全性;自动待机机制则可避免用户遗忘关机导致电量耗尽。同时,待机状态下可保存音量设置等参数,提升用户体验,有效降低设备因长期待机引发的锂电池损坏风险,减少市场不良率。