某核电项目应急柴油发电机组人机界面方案研究
郑添 李文听 陈国忠 周园
中国船舶重工集团公司第七〇三研究所无锡分部 江苏无锡 214151
中图分类号: 文献标识码: 文章编号:
Abstract :With the widespread use of digital control systems in nuclear power plants, emergency diesel generator sets in newly built nuclear power plants are also controlled by programmable logic controllers (PLCs). Due to the extremely high requirements for human factors engineering in nuclear power plants, the human-machine interface of emergency diesel generator sets should be as good as possible to meet the operating habits of maintenance personnel and reduce their workload. Therefore, how to establish a PLC human-machine interface that not only meets the human factors requirements of nuclear power, but also reflects the characteristics of emergency diesel generator equipment is the problem that this article will study.
Key words :Digital;Nuclear Power Plant;Diesel Generator Set;Human-Machine Interface
应急柴油发电机组在核电厂失去外部电源后为其提供应急电源,以保核电厂能够安全停堆,其重要性不言而喻。传统核电厂应急柴油发电机组的人机界面主要包括信号指示灯、报警光子排和模拟式仪表,其内容单一、数据信息不充分,故障追忆和事故判断难度很大。目前越来越多的柴油发电机组使用 PLC对柴油发电机组进行控制。在某核电项目上,使用可 PLC 进行控制,采用数字化的人机界面进行显示。
1 核电厂人机界面的设计要求
核电厂人机界面的设计要求主要来自于各标准规范,同时现有在运核电厂的运行经验反馈也将指导人机界面的设计。核电厂人机界面的主要设计要求如下。
1.1 画面内容范围
大量运行经验反馈表明,核电厂操纵员大多喜欢信息密度大的画面,这样可以使他们避免他们记忆大量的显示画面。但是,高密度画面仍应方便操纵员清晰读取电站信息和完成运行操作[1],这就要求去除画面中不必要的信息,具体原则如下:
1)一个对象 ( 执行机构、传感器、活动文本等 ) 在同一显示画面中只显示一次( 但可在不同画面中分别显示)。
2)与操作或者与设备状态信息无关的工艺设备,原则上不需要显示在画面上。
3)用于理解系统状态所需的静态对象采用简单的形状和颜色来显示。
4)冗余设备不用分部件表示。例如:无相关测量信号的一个包含 3 个冷却部件的组可以用一个冷却器对象代替。
5)画面中的流体水位由独立于相关静态显示设备的水位指示器来表示。例如,为了表示某个水箱中的水位,可以使用一个数字化指示器布置在静态水箱对象的中间或者旁边。
1.2 画面内容范围
画面中对象的布置应该尽量避免管道的交叉。为了保证显示画面的可读性,对象之间应该有充足的空间[2]。在画面设计过程中,必须采用以下原则。
1)在所有画面上,图形对象与柴油发电机组实际设备的相对位置要保持一致。
2)尽量减少管道拐角和管道交叉。在必须交叉的情况下,没有连接的管道需要跨越表示。主要管道和设备优于次要管道和设备;水平方向管道优于竖直方向管道。
3)根据运行经验和习惯,对象位置的选择应该符合流体从左至右,从上至下的流动方向。在可能引起混淆的地方应添加箭头来标明流向,箭头可标在管道中和管道末端。
1.3 图形对象外形
对于柴油发电机组的工艺设备对象,图形对象的外形应该尽可能选择与流程图和单线图中对应的设备外形一致的图形对象。每个对象有 4 种不同的方向( 每种方向对应于图形库中不同的对象) :
旋转 0∘ 品旋转 180∘ 喝朝左旋转 90∘ 足朝右旋转 90∘ 8D选择图形对象方向的方法如下:
1) 在绝大多数情况下,应优先使用以下两种方向是:① 垂直管道上阀杆朝左 风② 水平管道上阀杆向上 吊
2) 应该符合用户习惯,保证相关联的图形对象的方向一致性。
1.4 图形对象外形对象尺寸的选择遵循以下原则[3]。
1)一个画面中的所有主要显示对象都应具备同样的尺寸,避免它们之间的分层。
2)管道、电缆、通风管道等的粗细与相连对象的功能有关,而与现场实际管线尺寸无关。
管道一般只使用实线,其他种类的线可以用在特定的结构上,以强调该对象 ( 传感器、复位命令、信号、房间位置、不可操作设备等 )。通过添加背景色(浅灰)也是一种有效的突出显示方法。管线应该尽量避免交叉,如果存在交叉,保证垂直线断开,水平线连续,同时布置必须合理,尽量简化,尽量少走折线,并避免出现折角。
2 某核电项目应急柴油发电机组的设备特点
2.1 概述
某核电项目应急柴油发电机组采用韩国现代 20H32/40V 柴油机,HAR7187-8 发电机,每套柴油发电机组由以下几个部分组成,即柴油机和发电机本体,燃油供给和分配系统,润滑油供给和分配系统,设备冷却水系统,压缩空气启动系统,进气和排气系统。
2.2 柴油机和发电机本体
柴油机和发电机是柴油发电机组的核心部件,其主要原理是燃油在柴油机气缸中燃烧膨胀后由连杆推动柴油机曲轴旋转,曲轴通过联轴器带动发电机轴承旋转,在电磁感性效应下,在发电机的定子线圈上产生感应电压,从而为外部提供电源。柴油机和发电机均属于精密部件,其内部结构复杂,管路和线路众多,因此在人机界面中体现内部管路或线路是不现实的,也是没有必要的。因此,只要体现柴油机和发电机的外形即可。但是与柴油机和发电机性能相关的重要参数需要表示出来,这包括:柴油机转速、柴油机状态、柴油机曲轴轴承温度、发电机电流、发电机电压、发电机有功功率、发电机无功功率、发电机功率因数、发电机三相绕组温度和发电机前后轴承温度等[4]。
2.3 燃油供给和分配系统
燃油供给和分配系统的作用是向运行中的柴油机源源不断的提供燃油,以保证系统不断的运行,同时将柴油机的燃油回油重新输送至储油箱,污油排放到污油箱。在燃油供给和分配系统的人机界面中,最重要的是体现设备之间的管线连接关系、燃油输送泵的状态以及管路中燃油的性能( 包括燃油进机温度,燃油进机压力等 ),至于燃油管路中的过滤器、膨胀节、手动阀门等设备则没有必要在人机界面中显示出来。
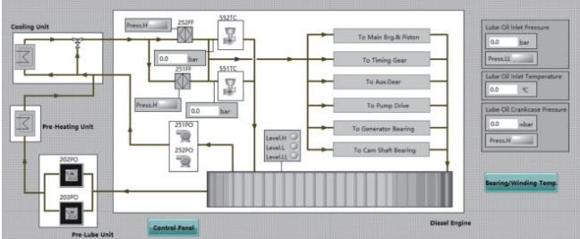
2.4 润滑油供给和分配系统
润滑油供给和分配系统是将柴油机油底壳内的润滑油通过油泵进行内循环,对柴油机中的磨损部件进行润滑,对机组中的运动部件进行冷却,润滑冷却后的润滑油又重新回到油底壳中。在润滑油供给和分配系统的人机界面中,最重要的是体现柴油机外部润滑油管线的走向、润滑油输送泵的状态、润滑油在油底壳内中的位置以及管路中润滑油的性能 ( 包括润滑油进机温度,燃润滑油进机压力,润滑油出机压力,曲轴箱压力等 )。至于柴油机体内润滑油管路由于复杂,因此没有必要在人机界面中显示出来。
2.5 设备冷却水系统
设备冷却水系统包含两个子回路,分别为高温水冷却回路和低温水冷却回路,两个回路均进行内循环。高温水冷却回路将经过冷却风扇冷却后的冷却水通过高温冷却水泵输送至柴油机内,对柴油机体的气缸缸套进行冷却,换热的高温水重新回到冷却风扇处进行冷却。低温水冷却回路将经过冷却风扇冷却后的冷却水对柴油机体的中冷器和润滑油进行冷却,换热的低温水重新回到冷却风扇处进行冷却。设备冷却水系统中外部管路众多,高低温水回路既有交叉,又有独立部分同时还存在中冷器和滑油冷却器两个回路,因此设备冷却水系统的人机界面最重要的将冷却水管路流向清晰地表示出来,高温水和低温水的温度、压力等参数也应在管路的相应位置体现。此外,高/ 低温水泵的运行状态、冷却风扇的运行状态、水箱的液位等信号也应表示出来。
2.6 压缩空气启动系统
压缩空气启动系统的作用是制取和存储压缩空气,并在需要时向柴油机气面内注入高压空气,通过空气膨胀带动柴油机曲轴旋转,使柴油机能够在较短的时间内启动运行。为了确保柴油机能够在需要的时候启动成功,设置了两个启动序列,分别为 A 序列和 B 列,任意一个序列启动都可以保证柴油机能够启动成功压缩空气启动系统中,最重要的是监视储气罐的压力,因为这直接关系到柴油机能否按要求启动成功。此外,压缩空气制取过程中的空压机和冷干机的状态启动电磁阀的动作状态,停机电磁阀的动作状态也是重要的内容。而空气管路中的其他静态设备 ( 例如过滤器、手动阀等 ) 则没有必要在人机界面中体现。
2.7 进气和排气系统
进气和排气系统构成了柴油机燃烧所使用的空气的流通回路,即外部新鲜空气通过涡轮增压器增压,并经中冷器冷却后进入柴油机气缸,燃烧膨胀后将废气排出。进气和排气系统的管路相对简单,最重要的就是监视本系统中性能参数,这包括各气缸排气温度、排气总管温度、涡轮增压器转速、进气温度、进气压力等。
3 基于西门子PLC 的人机界面
某核电项目应急柴油发电机组使用西门子 PLC 软件进行人机界面设计。根据第 2 章应急柴油发电机组的特点,PLC 的人机界面由 6 幅主画面组成,分别为系统概貌图画面(图 1)、燃油供给和分配系统画面(图 2)、滑油供给和分配系统画面(图3)、设备冷却水系统画面(图4)、压缩空气启动系统画面(图5)、进气和排气系统画面(图6)[5]。
鉴于,对于部分和系统性能相关的重要参数( 例如机组状态、机组控制方式、机组转速、机组电压等 ),做成画面的页眉和页脚,这样在所有的系统画面上操纵员都能够查看到这部分信息,各系统的 PLC 画面如下:
图1 系统概貌图画面

图2 燃油供给和分配系统画面

图3 滑油供给和分配系统画面

图4 设备冷却水系统画面

图5 压缩空气启动系统画面

图6 进气和排气系统画面

4 结 论
数字化柴油发电机组控制系统能够为用户提供更加丰富的信息,而数字化柴油发电机组人机界面也能为用户的运行和维修提供便利,从而保证核电厂的安全。
参考文献:
[1] 王炎鑫, 李鹏程. 基于人员绩效的核电厂数字化人机界面评价研究[J].原子能科学技术 ,2021,55(3):534-543.
[2] 王昊鲁 , 刘禹 . 核电厂主控室的数字化人机界面设计和评价 [J]. 设备管理与维修 ,2020(22):111-113.
[3] 闫昌剑 . 基于深度学习的核电站数字化人机界面评价研究 [D]. 哈尔滨 : 哈尔滨工程大学 ,2022.
[4] 刘克超 , 孙洪涛 , 夏利民等 . 基于核级数字化平台的应急柴油机控制保护系统设计与应用 [J]. 仪器仪表用户 ,2022,29(8):59-62,91.
[5] 李文听 , 张峰 , 陈童等 . 基于 NI c-DAQ 及 LabVIEW 核电应急柴油发电机组诊断装置设计 [J]. 电工技术 ,2022(17):194-196.
作者简介:郑添(1981 -),男,高级工程师,研究方向为核电应急柴油发电机组
E-mail :zeetim@163.com