某船某型主柴油机膨胀水箱水位异常下降故障分析
张傲 方安 薛俊帅
中国卫星海上测控部 江苏江阴 214431
1 故障现象
某船采用瓦锡兰公司提供的两台 8L46C 型主柴油机组。航行时,两台运行,能保证全船动力运行。在印度洋某海域航行过程中,值班人员经过多天观察,发现 1#主柴油机组淡水膨胀水箱频繁补水,随即判断该机组存在机体某处有大量漏水现象。
根据厂家提供说明书,该型号机组每日正常不会消耗淡水(该机组淡水系统为内部循环),正常情况下为一季度左右进行一次膨胀水箱补水加药,但经过多日观察发现,液位持续下降,平均三天须进行补水一次。
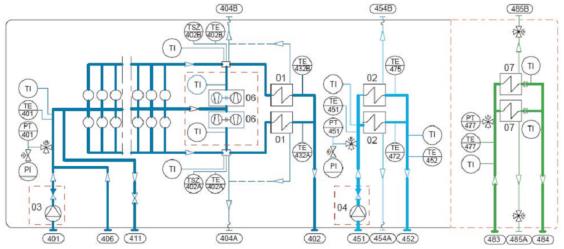
该机组采用内循环淡水系统,淡水系统为闭式压力循环系统,设备运行时,高、低温水机带泵把淡水从膨胀水箱中吸出,冷却机体缸套、排气阀座等固定部件(如图 1)。

该机组滑油系统主要部件:高、低温淡水机带泵、淡水恒温阀、中央冷却器、膨胀水箱、电动高、低温淡水备用泵等。淡水冷却为闭式冷却,由高温冷却水和低温冷却水两部分组成。
主机低温水系统:每台主机除机带低温淡水泵外,还配有一台电动低温淡水备用泵。低温淡水泵打出的水分为二路,一路(机带泵)进入主机空冷器、滑油冷却器冷却,另一路(备用泵)进入齿轮箱滑油冷却器、调距桨液压油冷却器、中间轴承冷却,然后汇总再进入低温淡水泵循环。中央冷却器出口设有自动调温阀以控制低温淡水温度。
主机高温水系统:主机高温淡水冷却系统用于冷却主机的缸套和空冷器。每台主机除机带高温淡水泵外,还配有一台电动高温淡水备用泵。高温淡水泵打出的水,经过缸套水、空冷器后,通过 91℃自动调温阀的控制,如低于 91% ,则直接回到高温淡水泵吸口循环。如高于 91℃,则与低温淡水混合,再通过 77℃自动调温阀后,进入高温淡水泵吸口,泵入主机进行冷却。
每台主机设一只淡水膨胀水箱。高、低温淡水循环管路内空气通过淡水膨胀水箱透气管排出。淡水膨胀水箱设于艇甲板,以使淡水泵具有一定的静压头。淡水膨胀水箱设有低液位报警装置,补充水由日用淡水柜和炉水压力柜提供。
2 故障原因分析
2.1 淡水系统管路泄露
该主机由 2007 年投入使用,正常运行 18 年,且并未更换过系统管路。长时间受机舱环境温度高,湿度大的各项不利因素影响,随着设备的寿命增长,容易发生管路破损的风险,导致淡水水位异常下降。
2.2 人工操作失误
船舶航行过程中,需要对膨胀水箱进行适量放残,检测 PH 值,需打开泄放阀进行操作,但操作不认真、不仔细可能会导致泄放阀关不死、未关的相关操作,会导致主机淡水液位持续下降。
2.3 气缸套冷却水腔泄漏
柴油机机架变形导致缸套变形,产生间隙,进而缸套冷却水会从间隙持续漏水。
2.4 空气冷却器焊接处失效
空气冷却器是通过淡水对增压空气进行冷却的设备。可能主柴油机长时间持续高负荷运行下,
生高频振动导致焊接处失效,淡水会有渗漏现象持续发生,导致膨胀水箱异常下降。
2.5 气缸盖排气阀座密封失效
该机型气缸盖共四个气阀座。两个进气阀座,两个为排气阀座。均为淡水进行冷却,柴油机长时间运行,进排气阀循环开闭,导致气阀与气阀座磨损严重,间隙过大;气阀阀座,密封失效,进而淡水泄漏,进入燃烧室导致淡水异常下降。
3 故障排除
根据上述原因分析值班人员将主柴油机停止,进行逐步检查排除。
1)检查舱底,无渗漏痕迹;机带泵机械密封面无渗漏痕迹;淡水系统管路的螺栓及垫片进行复检,螺栓并无松动、垫片也没有损坏,各密封面无渗漏痕迹。
2)组织各班组对 PH 值检测操作进行学习,要进行检测后复位系统,更要加强对膨胀水箱的巡视检查,以免异常下降发现不及时。
3)组织人员打开热箱罩壳,检查缸套与机架连接处,发现并无渗水。
4)打开空冷器观察口,检查芯子及框架焊接处,也进行了保压试验,观察无压降、无冷却水渗漏。
根据上述判断,定位故障可能在机体内部,进而需要将气缸盖、气缸套拆检,在拆检后值班人员根据厂家说明书,数据如表 2 对气缸盖保压试验。
表 2 某船主柴油机气缸盖保压试验结果(检修前)

如表 2 数据显示 7#缸压降过大,进而分析,可能气缸盖阀座密封老化等原因造成,随后值班人员在码头期间对该台主柴油机 7#缸进行拆解检查。
5)随后值班人员对摇臂、冷却水出水管进行拆除,多次进行气缸盖水压试验。保压试验过程中发现排气阀座有明显滴水现象发生,已经无密封性能,导致冷却水流入燃烧室,最终定位为排气阀座密封失效,随后组织人员对排气阀座进行换新,安装新排气阀座后都必须进行 10 bar 的压力试验,如表三各项数据显示均为正常。
表 3 某船主柴油机气缸盖保压试验结果(检修后)

4 总结与展望
1)值班人员要加强关注膨胀水箱液位以及使用情况。电子监控只是给予提示,巡视检查和监控系统互相结合。
2)膨胀水箱液位是判定渗漏的重要指导依据,在维护保养设备时使用中要严格按照要求进行维护保养,定期检查液位并补水,确保冷却水充足。
3)组织人员对可能发生的故障进行分析,清楚了解故障发生时的处置流程,强化人员能力,做到能发现问题又能及时解决问题。
作者简介:张傲(2001),男,(船舶机电工),研究方向为船舶动力方向