一种可变频级联电荷泵驱动电路
周猛 罗宁 张有涛通讯作者
南京国微电子有限公司 江苏南京 210000
Abstract:This paper presents a variable-frequency cascaded charge pump driving circuit designed based on 0.18μm SOI (Silicon-On-Insulator) process. A negative voltage detection circuit is used to monitor the negative power supply voltage in real time, and the variable-frequency function is realized through a variable-frequency oscillator. The circuit can automatically adjust the oscillation frequency and driving ability according to the load and switching state. The test results show that the chip has a quiescent current of 45μA and a RF switch switching time of 6μS , effectively reducing the chip power consumption while maintaining high driving capability during switching. This design demonstrates significant application value in the field of power management.
Key words:Variable frequency; Cascaded charge pump; Load self-adaptation; Low power consumption
引言:
随着集成电路的发展,电源管理电路的性能对系统整体表现至关重要,电荷泵作为一种重要的电源转换电路,可为系统提供多种电源,丰富了产品应用。特别是片内电荷泵具有面积小、成本低、易于集成等优点。但传统电荷泵在面对负载变化时,往往无法高效地调整输出,导致功耗增加和性能下降。因此,设计一种能够根据负载变化调整振荡频率,从而调节输出驱动能力的可变频级联电荷泵电路具有重要意义。
一、可变频级联电荷泵电路结构与工作原理
1.1 可变频级联电荷泵电路整体结构
变频级联电荷泵的电路框图如图 1 所示。电路主要由负电检测电路、变频振荡器、电荷泵电路组成。采用负电检测电路实时检测负电压和负载变化,及时调整变频振荡器的振荡频率并选择电荷泵工作模块数量,实现驱动芯片的低功耗运行。
图 1 变频级联电荷泵电路框图

1.2 负电检测电路
负电检测电路的目的是将负电压的检测信号转换到正电压,为后级运放输入参考电压。后级运放实现电压跟随的功能,将较敏感的负电检测信号转换成具有一定上下拉驱动能力的电压信号 CP_detect。
通过电阻 R1 和R2,将
的变化转换到 Π∣V+
图 2 负电检测电路

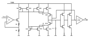
1.3 变频振荡器电路结构
运算放大器 OP1 与电阻 R1、R2 构成反馈回路,得到基准电流 I=Vref/R1 ,晶体管 MP1−MP4 、 MN1−MN3 组成电流镜阵列,开关 S1、S2 可调节注入 MP5 和 MN4 晶体管的电流,进而调节振荡频率 。电容 C1 与晶体管配合,电流对 C1 进行充放电,充放电时间常数 τ=RC(R 为等效电阻,由晶体管导通电阻等决定 )会发生变化。充电时间和放电时间决定了振荡周期 T ,根据 f=1/T ,改变充放电时间就能实现输出时钟信号 clk 频率的改变 。最后经过时钟缓冲器(Clockbuffer)对信号进行缓冲、整形,增强驱动能力,输出稳定的变频时钟信号 clk 。
图 3 变频振荡器电路

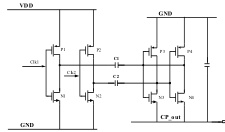
1.4 电荷泵电路
电荷泵电路采用交叉耦合负电荷泵结构,如图 4 所示,通过非交叠反向时钟信号 Ck1 和Ck2 控制对电容 C1 和 C2 充放电,同时通过 N3、N4、P3、P4 交叉耦合驱动电路实现在时钟的上下半周期均有泵电容在充电,降低输出纹波大小。
电荷泵功耗:
P=Iload2×Ron+f×C×Vin2
其中, Iload 是负载电流, Ron 是晶体管的导通电阻,C 是耦合电容, Vin 是输入电压, f 是开关频率。
电荷泵的驱动能力:

其中, Vth 是晶体管的阈值电压, Qloss 是在充放电过程中的电荷损失,包括晶体管导通电阻造成的损耗、寄生电容的充放电损耗等。
可以发现,越高的振荡频率 f,可以提供越高的驱动能力,但同时也会造成更高的功耗。
因此为了既有足够的驱动能力,又能降低功耗,就需要变频振荡器来实现,同时级联的工作模式增加了负载调整的动态范围。
图 4 电荷泵电路

二、仿真和测试结果
图 5 不同电路结构建立时间对比图

不同电路结构指标对比表格如下:

变频电荷泵在效率方面达到 75% ,这得益于其能够根据负载实时调整频率,优化了电荷传输过程,减少了不必要的能量损耗。在纹波幅度上,通过非交叠时钟设计、合理的电路布局以及有效的滤波措施,将纹波幅度控制在 20mV ,保证了输出电压的相对稳定性。高频电荷泵由于工作频率固定且较高,其在快速传输电荷方面具有优势,因此效率高达 80% ,纹波幅度为 15mV 。低频电荷泵虽然充电时间较长,但因其工作频率低,开关损耗小,在特定负载条件下,也能保持一定的效率,达到 70% 。较低的工作频率使得其输出电压的变化相对缓慢,纹波幅度较大,为 25mV 。
采用变频级联电荷泵驱动的整体射频开关芯片面积为 1.4mm×0.6mm (包含压点),图 6为芯片照片。
图 6 射频开关芯片照片

该芯片采用 2.5V 电源供电,芯片整体静态电流 45μA 。芯片开关时间 6μs ,满足整体芯片驱动能力要求,符合设计目标。
三、结论
本文采用 0.18μm SOI 工艺实现了一种可变频级联电荷泵驱动电路。该电路通过负电检测电路和变频振荡器,实现了根据负载和切换状态自动调节振荡频率和驱动能力的功能。实验结果表明,该电路静态功耗 45μA,射频开关时间 6us,具有较高的效率和稳定的输出性能。该设计为电源管理电路的优化提供了新的思路和方法,在集成电路领域具有广阔的应用前景。
参考文献
[1] 周志敏,周纪海,纪爱华。电源实用技术系列书单片电荷泵实用电路 [M]. 中国电力出版社,2009.
[2] [Abdi A, Kim H S, Cha H K. A High-Voltage Generation Charge-Pump IC Using Inpu Voltage Modulated Regulation for Neural Implant Devices [J]. IEEE Transactions on Circuits & Systems, II. Express briefs, 2020.
[3] Jin-Kyung K, Hoi-Jun Y, Sung-Eun K, et al. A 0.5-V 32-channel analog front-end for neural recording in 65-nm CMOS [J]. IEEE Journal of Solid-State Circuits, 2015, 50 (4): 970-982.
[4] Palumbo G, Pappalardo D. Charge Pump Circuits: An Overview on Design Strategies and Topologies [J]. IEEE circuits & systems magazine, 2012, 12 (3): 40-65.
[5] 陈健,赵毅强,陈光梦。一种高效率快速启动四相时钟电荷泵 [J]. 中国集成电路,2020, 29 (11): 41-45.
[6] 李海松,郭成城,张鹤鸣,等。基于 SMIC0.18um 工艺的电荷泵的电路研究与版图设计 [J]. 电子制作,2023 (11):2.
[7] 沈天宇。电荷泵:CN116937971A [P]. 2023-10-24.
[8] 武藤高见。电荷泵:CN217335436U [P]. 2022-03-2
[9] 毕查德。拉扎维。模拟 CMOS 集成电路设计 [M]. 西安交通大学出版社,2002:309-325.
[10] 陈海波,吴小华,王磊等。基于自适应阈值调节的电荷泵性能优化 [J]. 微电子学, 2022,52(4):512-517.
作者简介
周猛(1991.10),男,汉族,江苏宿迁人,工程师,硕士,研究方向模拟集成电路设计。罗宁(1992.10),女,汉族,湖北襄阳人,工程师,硕士,研究方向为超高速集成电路和模数混合信号电路设计。
张有涛(1979.02),男,汉族,安徽太和人,正高级研究员博士,研究方向为高速数模混合信号集成电路设计。