水电站应急启闭器技术改造与实践
杜明远
四川久隆水电开发有限公司 四川成都 610000
一、概述
踏卡水电站位于四川省甘孜藏族自治州九龙县境内,为踏卡河“一库两级”梯级开发方案中的的第二级水电站。大坝泄洪建筑物分别设置2 孔泄洪闸(共用一套液压系统)和 1 孔冲沙闸(单独一套液压系统),本文以泄洪闸为例。泄洪闸启闭机启门力 2×630kN,设计系统压力 17.0MPa,启门工作压力 15.2 MPa,启门时所需流量 41.45L/min,闭门时所需流量61.54L/min,实测系统压力 14.0 MPa。
二、现状分析
传统液压启闭机的动力系统由厂用电驱动电机,通过联轴器带动液压泵工作,液压油经控制阀组驱动闸门开启和关闭。在实际运行中,这种模式暴露出在应急操作下存在的短板。
(一)液压系统的实现全部依赖于电力,存在一经断电就无法工作的缺陷。当大坝厂用电因雷击、线路故障或线路检修等突发断电,短时间无法恢复,再加上备用电源柴油发电机故障时。汛期大坝上游泥石流或超标洪水情况下,可能因不能及时开闸泄洪引发漫坝、垮坝风险;枯水期,可能因闸门无法正常关闭,导致大坝水库流量流失,影响电站发电效益。
(二)绝大部分水电站都采用柴油发电机作为大坝的备用电源,但存“启动迟滞”问题,从开始操作柴油发电机到其稳定运行供电需要10 ~15min,远超过紧急泄洪的“黄金响应期”,满足闸门“秒级响应”的应急需求。(三)两人配合纯手动操作液压系统电磁阀,可在系统断电情况下启闭闸门泄洪,但由于现场人员业务能力有限,操作成功率得不到保证,即便操作成功,现场人员也无法精准控制闸门开度及纠偏情况,反而增加现场应急处置的不确定性。
三、设计依据
依据《水工钢闸门和启闭机安全运行规程》(SL722-2020)中的要求,增加应急启闭器可有效提高启闭机设备运行的可靠性。
针对传统液压启闭机存在现状,拟在不干扰启闭机正常运行的前提下,构建一套完全独的闸门应急启闭系统。经市场调研和走访,行业内常见四种方案如下:
1. 无电方案
该系统主要由柴油机、油泵、阀组组成。
柴油机启动后,带动油泵,油泵输出液压油至阀组,阀组调整压力、油流速度后接入液压启闭机油缸,从而实现启闭闸门的功能。
2. 电液方案
柴油发电机启动后,为原控制柜和电机提供电源;电机通过变频器启动后,带动油泵,油泵输出接至原泵站阀组,从而实现启闭闸门的功能。
该系统主要由控制柜和电源柜组成。
控制柜控制变频器的启停保护输入电源和工作电机、显示电机运行状态和电池等参数、控制变频器的交直流电源输入。
电源柜作为备用储能,当外部交流电断开时,提供紧急备用电源启动电机;并提供柜内24V 控制电源和外部液压柜220V 电源。

该系统主要由液压动力站、控制部分组成。
4. 无电优化方案
液压动力站(柴油机或者汽油机带动液压泵)输出高压油,油流经原泵站阀组及管路输出,再通过控制部分控制阀组通断,最终启闭
(二)各方案优缺点对比:

综上,无电优化方案能满足应急需求,启闭速度损失较小,改造性价比最优,经综合考虑,踏卡电站此次改造选择无电优化自主改造。
五、方案的设计
(一)液压部分:
1.动力站选型
踏卡泄洪闸启闭机启门所需流量41.45L/min,泵站系统压力为14.0Mpa。本次选择采用进口品牌史丹利的HP12液压动力站,泵站额定压力为15.5Mpa,额定流量32.5/min满足启门速度为设计启门速度的1/3~1/2。
2.动力站接入
在原泵站油泵出口位置T接高压球阀,连接液压动力站的P管(出油管),在原泵站滤清器前端T接DN20高压球阀,连接液压动力站的Y管(回油管);在原泵站油箱底部0.2m位置接入高压球阀,连接液压动力站的T管(进油管)。
正常运行时,使用原液压系统,遇紧急情况,全开动力站高压油管各球阀,启动动力站为泄洪闸提供高压油动力。
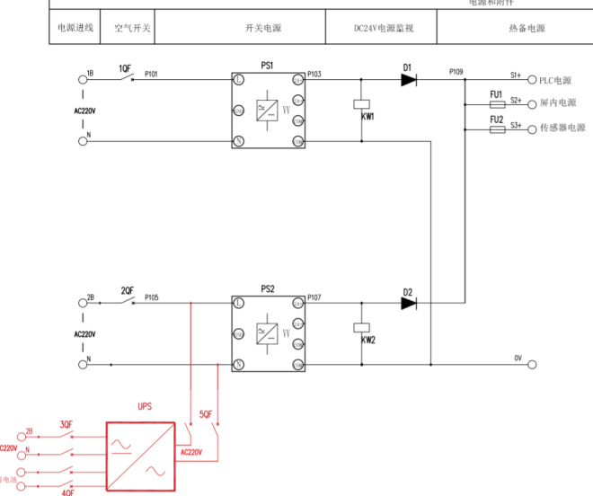
3.电气部分
原电气控制部分不做改动,新增UPS装置。原电源回路中通过开关电源PS1、PS2将交流220V转换为直流24V供原控制柜设备用电。UPS装置输入端接市电和蓄电池,输出端接入开关电源PS2的输入端。
正常运行时,开关电源PS1、PS2输入开关1QF、2QF合闸,UPS装置电源开关3QF、4QF合闸,输出开关QF5分开,控制柜由市电供电;遇紧急情况,分开开关电源PS2和输入开关2QF,合上UPS装置出开关QF5,由UPS装置为控制柜供电。
泄洪闸的控制操作方式不发生任何变化。设计原理图如下:

UPS 装置接入设计原理图
注:红色部分为新增UPS装置接线方式,
六、试运行
技改完成后,踏卡电站分别对新增UPS 装置及动力站进行了相关的试验和测试。
(一)电气部分测试
UPS 单独给控制柜PLC 供电可连续运行12.83h ;UPS 给控制柜和电磁阀供电,可连续运行6.83h,试运行期间UPS 装置运行稳定,无异常。测试结果表明,UPS 装置完全满足电站应急操作需求。
(二)液压部分测试
新增动力站在动水情况下的启闭速率较原液压站偏慢,原液压站速率为 0.7m/min, 新增应急启闭器速率为 0.4m/min,但该速率与主流产品启闭器速度相当。动力站的系统压力较原液压站系统压力偏低,但现场对闸门的启闭无影响,闸门启闭和纠偏功能均正常。综上,液压动力站的改造能满足现场应急抢险需求,且新增液压动力站操作简单、方便,严格按照电站编制的应急启闭器开关泄洪闸门操作卡就能实现泄洪闸门的应急启闭功能。
结论
本次踏卡电站大坝泄洪闸应急启闭器技改通过“液压动力站 +UPS 装置”的设计,解决了液压启闭机无电应急操作的核心难题,避免因厂用电失电、液压启闭机泵站故障而引发漫坝、溃坝等不安全事故;响应时间从传统的15min 缩短到3min,满足极端情况下的紧急泄洪需求;新增应急启闭器系统操作简便,且具备原液压站控制系统的所有功能,能有效避免因操作错误导致闸门无法启闭等风险。本次技改可为同类电站提供一些解决问题的思路和办法,提供一个成功的参考示例。
参考文献:
[1] 水利部水利水电规划设计总院. 水利水电工程启闭机设计规范(SL 74-2013)[S]. 中国水利水电出版社, 2013.
[2] 何卫东. 佟子健. 宋思宇. 无电应急启闸操作器在涔天河水库的应用[J]. 水电站技术与应用, 2020.4.
[3] 徐杰. 水库工作闸门中新能源储能式启闭系统的应用[J]. 黑龙江水电科技,2022.
[4] 余娜. 杨威. 闸门启闭机应急备用动力装置的研究与应用[J]. 水上安全,2023.
[5] 贾海波. 姜达. 韩超. 水利水电工程失电情况下启闭闸门应急处置措施[J]. 水电站机电技术,2020.
作者简介: 杜明远(1987-). 工程师. 从事水电站运维工作