YK 继电器试验台研发
严青 朱宝伟 马小锋
青藏铁路集团有限公司西宁机务段 青海西宁 810007
1 引言
YK 压力继电器是一种利用气体压力信号控制电器触点启闭的气压电气转换元件,它动作值的灵敏程度对列车的安全运行起着至关重要的作用。以往在做压力继电器测试试验过程中,YK 压力继电器内风源的通断及排风方式均由手动操作,目测 YK 内压力值变化引起YK 继电器的通断状态下相对应的压力值。其排风时排气量大小不好控制,误差大,准确度不高,且与 YK 通断状态相对应的压力值需要人工填写,整个过程费时费力。为了更好地提高试验数据准确性,提高机车检修质量,降低检修成本,有必要研发一台 YK 压力继电器试验设备。可全自动完成试验的循环和数据的准确记录,并能将数据实时打印出来。该试验台设计科学合理、操作简单、迅速准确
2 试验台组成

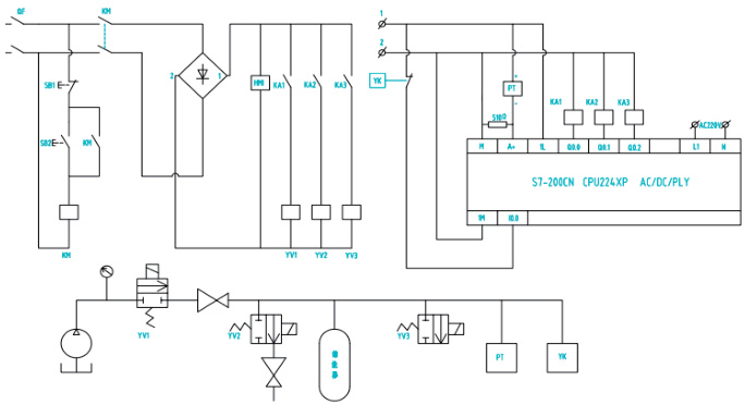
该试验台由硬件控制系统和软件控制系统组成。其中硬件控制系统包含触摸显示屏,空气压缩机,打印机,单向导通阀,限流阀,压力变送器,中间继电器以及电气线路等组成。软件系统包含可编触摸屏组态软件、可编程控制器 PLC 构成。该试验台能对段和谐、东风等多种型号机车 YK 压力继电器的动作、释放压力值进行监测,逻辑关系如图1 所示。
该试验台设有储气罐,可以不断给设备提供风源压力,自动控制风源压力上下限。当压力高于设定上限值时,自动关闭空压机,当压力低于设定下限值时,自动启动空压机。而且该储气罐能对整个系统起到一个缓冲减震的作用,保护系统内各器件不受巨大气压的冲击。
本系统采用人工交互模式,操作者可在触摸显示屏上控制相应指令,包括返回、启动、急停、复位以及打印功能等。可编程控制器(PLC)进行自动计算,自动采集,模拟量的信号输入,完成与触摸显示屏(HMI)的信息交互,最终可打印出测试报表。
3 工作原理
闭合电源总开关,按下启动按钮 SB1,设备进入预备状态,2S 后HMI 进入界面一。在 HMI 界面一点击“进入系统”,切换到界面二。点击“启动”,YV1 得电,向YK 充气。当YK 内压力上升到900KPa 时,YK 触点释放,YV1 失电,记录此时压力值。YV1 失电2S 后,YV2 得电,开始慢排气。当YK 内压力下降到750KPa 时,YK 触点吸合,YV2 失电,记录此时压力值。YV2 失电 2S 后,YV1 得电,向 YK 充气,如此循环3 次。当YK 内压力第三次下降到 750KPa 时,YV2 失电,YV3 得电,YK 内压力快速下降到 0KPa 后 YV3 失电。

图2 YK 继电器试验台电路图、气路图
急停按钮:不管处于何种工作状态,YV1、YV2 均失电,YV3 得电,YK 内压力快速下降到 0KPa 后 YV3 失电。
复位按钮:只有 YK 继电器内压力为 0 时有效,分别记录的释放压力值和吸合压力值均为 0KPa 。
返回按钮:HMI 窗口二一切换到窗口一。
打印按钮:系统将 HMI 界面二的显示内容打印出来,包括显示测试日期时间,试验三次的动作压力和释放压力值。
4 主要技术指标,见表1

5 主要功能
(1)检测 YK 压力继电器内压力上升到 900KPa 时,YK 压力继电器触点断开时的风压数值并自动记录。
(2)检测 YK 压力继电器内压力下降到 750KPa 时,YK 压力继电器触点释放时的风压数值并自动记录。
(3)试验台能实现数据记录存储、打印。
6 设备使用注意事项
(1)为提高抗干扰性能及保证设备、人身的安全,试验台要可靠接地。
(2)定期清扫设备,使设备长期处于干净、清洁状态。
(3)连接 YK 压力继电器时,风管压力为“0”状态下进行连接,即HMI 中未点击“启动”状态下进行。
(4)拆除 YK 继电器时,风管风压下降到“0”时,才能操作。
7 设备的接地与接零
为了确保设备的稳定可靠运行以及操作人员的人身安全,该设备配备了专用的保护接线端子 PE,该 PE 端子与设备的所有金属部件紧密相连。在进行设备安装时,必须在专业技术人员的悉心指导下操作,并且要特别重视 PE 端子的妥善处理。针对不同类型的供电系统,应选择相应的保护措施,以确保万无一失。
参考文献:
[1] 王绍成 . 机车压力继电器试验台设计与应用 [J]. 能源科技 ,2020,18(6): 85-87
[2] 曲范兰 . 高低压压力继电器 CAT 试验台的研制 [D].null,2005
[3] 张金旭 . 机车用可调压力继电器 [J]. 内燃机车 ,1992,(7): 32-35
作者简介:严青(1979.01-) ,男,汉族,青海海东民和,高级技师,大专研究方向:设备管理
朱宝伟( 1993.11- ),男,汉族助理工程师,本科研究方向: 设备管理
马小锋(1996.02-),男,回族,甘肃康乐,助理工程师,本科研究方向: 设备管理