多电平变频器漏电电流计算器
方帅康 张宏扬 张艺奇 王磊 贺懿 宋宜烜
中国矿业大学(北京)
引言
煤矿井下供电系统是矿井安全生产的核心保障,多电平变频器以其输出电压谐波小,开关损耗小等优点被广泛应用于煤矿井下供电系统 [1]。
1 变频器原理及其对漏电流的影响
1.1 变频器工作原理
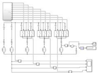
12 脉波串联整流变频器属于一种典型的交—直—交电力电子变换设备,其基本原理如图所示。该变频器的输入侧采用双三相整流桥,通过移相变压器实现十二脉波整流;输出侧则通过逆变器,将直流电转变为可控频率的三相交流电,以实现电机变频调速功能[2]。
1.2 变频器对漏电流的影响
未采用变频器的中性点绝缘煤矿井下低压供电系统发生单相接地或人身触电时计算过程如下:
其中 U 为相电压,Rma 为人体阻,
为各相对地绝缘电阻,
为各相对地电容,C 约为
。
根据电路原理,人身触电电流矢量表达为:

(1)取有效值得人身触电电流大小为 [3] :

(2)由上式可知,触电电流与频率呈正相关关系,即频率增加会导致触电电流相应增大。
2 基于plm 模型的电流计算
2.1 多电平变频器分段线性模型建立
当多电平变频器输出侧发生漏电时可以建立 12 脉冲三电平的 PLM 模型。在人身发生触电时,可以看作理想电压源分别为0,以及之间不断切换。变频器输出电压平均值为[4]

其中:为输入侧相电压,; 为触发延迟角,采用二极管整流电路此处为
°。
当变频器输出线路发生单相漏电故障时,故障相按照 SPWM 控制规律等效为三电压源通过人身分时导通。
RS C2C2C2R2R2R2RS 福 RS 一 L RS □ R1/3 非 R1/3
其中 、 为输入侧两条线路的单相对地分布电容、绝缘电阻,、为输出侧线路的单相对地分布电容、绝缘电阻,为人身电阻。
2.2 搭建仿真模型

其中 PLM 等效模型仿真如图所示,变频供电系统如图二所示,人身触电电流有效值为 1 0 3 4 m A ,等效模型的仿真波形与变频供电系统人身触电模型仿真结果基本一致,数据误差仅为 1 . 2 7 %
2 . 3 触电电流计算
变换到S 域利用节点电压法可以得到人身侧电压 [5]

其中

为电源公共侧节点电压,KA,KB,KC 为开关状态
为输入线路等效阻抗,
为 输 出 线 路 各 相 等 效 阻 抗 ,
输出侧各相电容电压初始值。
2.4 漏电机理分析
2.4.1 谐波分量增大
加入变频器后谐波分量增大是漏电电流增大的主要原因。
2.4.2 分布电容的影响
分布电容越大,与人体电阻构成故障回路的容抗越小,流经人身的触电电流就越大,即人身电流大小和供电系统整体对地分布电容大小成正相关。
2.4.3 载波频率的影响
结果表明,载波频率对人身触电电流有一定影响,但程度相对有限,二者呈正相关关系。
2.4.4 输出频率的影响
变频器输出频率对人身触电电流有影响,输出频率越高,与人体电阻构成故障回路的容抗越小,流经人身的触电电流越大
3 结语
本文提出了一种 12 脉冲三电平的 PLM 模型,对人身触电电流进行定量分析。为多电平变频器的井下漏电保护以及漏电电流计算提供了理论依据。
参考文献
[1] 胡宏秋.变频系统漏电分析与研究[J]. 电气传动,2013 (8 ):13- 15,37
[2] 李海洪,王大伟,范征.变频器引起井下漏 电保护系统误动 的解 决方案[J].煤矿安全,2014 (9 ) :120 - 122
[3] 王彦文,高彦. 煤矿供 电技 术 [M]. 徐州 : 中国矿业大学出版 社,2013 :234 - 235
[4] 王兆安,刘进 军. 电 力 电子技 术 [M] 北 京 : 机械工业出版社,2013 :60 - 61
[5] 王彦文,张丙军.移动变电站快速断电安全技术的研 究[J].煤炭学报,1993,18 (4 ) :51 - 59