加氢裂化组合式水热媒系统排烟温度高原因分析
王远慈
中国石油大连石化公司 辽宁 大连 116000
加氢裂化装置原设计加热炉烟气余热回收系统采用前置蒸汽空气预热器 + 管式空气预热器,为了避免烟气露点腐蚀,前置蒸汽空气预热器采用 1.0MPa蒸汽使进入管式空预器的空气温度从常温升高至 80℃左右,需要消耗大量低压蒸汽(平均 5t/h 左右),原管式空预器效率偏低,排烟温度 170℃左右,导致加热炉热效率偏低。前置蒸汽加热式空气预热器存在能耗较高,加热炉排烟温度较高,管式空气预热器效率偏低等问题,装置能耗高,因此需对加氢裂化装置加热炉的空气预热器系统进行改造,提高装置用能水平,保证装置长周期、高效运行。
1 水热媒空预器
装置采用水热媒空预器代替原有的前置蒸汽空气预热器+管式空气预热器,水热媒空预器主要由烟气换热器、空气换热器、两台热水循环泵(一开一备)及相应的循环水管道等组成,利用进装置的除氧水作为中间热载体(以下简称热媒水),建立一个闭式循环系统,吸收高温烟气中的余热,对冷空气进行预热。
热媒水经热水循环泵加压后进入烟气换热器,在烟气换热器吸收烟气的高温余热,温升至 145℃左右后进入空气换热器,加热加热炉所需的助燃空气,经换热后的热媒水返回热水循环泵入口,如此循环,源源不断将烟气中的热量传给助燃空气,具体流程如图 1 所示。运行期间除氧水循环利用,并不消耗。为了防止烟气换热器发生低温酸露点腐蚀,在空气换热器热媒水进、出口之间设置了一套自动旁通调节阀,用于控制空气换热器换热量,保证进烟气换热器热媒水温度高于露点温度,即烟气换热器的最低壁温高于酸露点。

2 运行情况
改造后对水热媒空预器系统进行了标定,表 1 给出了改造前后相关运行数据,由表可以看出,改造后 1.0MPa 蒸汽消耗量由 5t/h 降至 0t/h ,加热炉排烟温度由 170∘C 降至 140∘C ,加热炉热效率由 90.2% 提高至 92.12% ,达预期的改造目的。

表1水热媒空预器系统运行数据
但是运行一段时间后,发现空气温度为 19.7℃,排烟温度在 150∘C 以上,远高于设计的 140∘C ,下面针对水热媒空预器系统排烟温度高的原因进行分析。
3 原因分析
一般来说影响空气预热器性能的因素有空气预热器的空气量、空气预热器 进口空气温度、旁路空气量、未经过空气预热器进入炉膛的空气,空气预热器 热端漏风、空气预热器的烟气量、空气预热器入口烟气温度、传热元件结垢及 侵蚀或腐蚀和烟气的水分含量 [1]。表 2 给出了水热媒空预器系统运行数据与 设计值,由表中运行数据可知,烟气总温降△ ty=270.2℃ -150.3℃ =119.9℃, 空气总温升△ tk=235.1 ℃ -19.7 ℃ =215.4 ℃, 空 气 温 升 与 烟 气 温 降 之 比 △ tk/△ty=215.4℃ /119.9℃ =1.8。
由表中的设计值可得出,设计工况下,烟气总温度降△ ty=345℃ - 140℃ =205℃,空气总温升△ tk=248℃ -25℃ =223℃,空气温升与烟气温降之比 △ tk/△ty=223℃ /205℃ =1.1。
而加热炉维持正常燃烧,烟风比约在 1.05~1.08 ,烟气与空气比热基本相当;从以上数据分析可以看出,在水热媒空预器系统实际运行中,进空预器的烟气、空气量严重不匹配,存在烟气多、空气少的情况,导致排烟温度高。
表2水热媒空预器系统运行数据


造成水热媒空预器系统烟气多、空气少的情况有两种,第一种是加热炉炉膛漏风严重,第二种是烟气旁路阀门UV7621 关闭不严,冷烟气倒流。
装置有 5 台加热炉,分别为循环氢加热炉 F-1701I/II、产品分馏塔进料加热炉 F-1741A/B、柴油汽提塔重沸炉 F-1742,其中循环氢加热炉 F-1701 无对流室,与产品分馏塔进料加热炉 F-1741A/B 共用一个对流室。装置正常运行时每台加热炉的氧含量均在 3% 以下,且在停检期间对加热炉进行检查维修,因加热炉炉膛漏风严重导致水热媒空预器系统烟气多、空气少的原因可以排除。
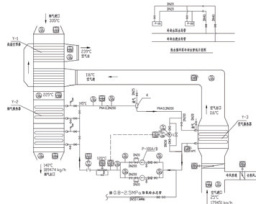
从柴油汽提塔重沸炉 F-1742 对流室出口的烟气与产品分馏塔进料加热炉F-1741B 对流室出口的烟气混合后进入水热媒空预器系统。从装置加热炉运行数据来看,F-1742 对流室出口的烟气温度与 F-1741 对流室出口的烟气温度基本相同,图 2 给出了水热媒空预器系统流程,由图可以看出,从 F-1741 对流室出口烟气温度为 346.4℃,而进入高温空预器的烟气温度为 270.2°C ,温度降低 76.1℃,这可能由于进入烟囱的冷烟气通过烟气侧线阀门 UV7621 倒流至高温空预器入口,从而导致进水热媒空预器系统中的烟气大量增加。进入烟囱的冷烟气温度为 150.3℃,高温空预器入口烟气温度较进入烟囱的冷烟气温度升高 119.9∘C ,则可根据前后温度变化推算出,由烟气侧线阀门 UV7621 回流至高温空预器入口的烟气量约为主烟气流量的 76.1/119. 9=0.63 倍,这样进入高温空预器的烟气是原设计烟气量的 1.63 倍,而原设计烟气量与空气量之比约为 1.1 倍,这二者相乘为 1.793,正好与运行中数据,空气温升与烟气温降之比为1.8 相吻合。由此判断,烟气侧线阀门UV7621 漏量。

4 结论
根据对水热媒空预器系统运行数据的分析,一部分冷烟气经烟气侧线阀门UV7621 回流至高温空预器入口,进入水热媒系统的烟气含量大幅增加,导致外排烟气温度上升。要使水热媒空预器系统外排烟气温度降至 140∘C ,一是对烟气侧线阀门 UV7621 的密封情况进行检查,若确定该蝶阀密封不严,将该蝶阀尽可能关闭;二是在烟气侧线阀门UV7621 无法关严的情况下,通过关小引风机入口挡板降低引风机抽力,降低烟气侧线阀门 UV7621 的两侧烟气压差,从而达到减少进入烟囱的冷烟气回流量,即降低进入水热媒空预器系统的烟气流量。
参考文献
[1] 辛明玉 , 王家奇 , 任月 . 基于 ASME PTC 4.3-2017 对某电厂进行排烟温度修正 [J]. 锅炉制造 , 2023, 1: 27-29.