两种地面火炬旁路泄压阀的介绍和选型建议
刘世峰
万华化学集团股份有限公司 山东省烟台市 264006
1 背景
近年来,随着国家对于环保、安全方面的要求越来越严格,为了克服普通高架火炬存在的检修不方便、不能在整个处理能力范围内均实现无烟燃烧、安全防护距离较大等问题,国内外越来越多的石化企业开始采用地面火炬。目前某工业园已投用 PO/AE 一体化火炬、乙烯火炬、PO\SM 火炬等多套地面火炬,随着后续项目增多,还将有多套地面火炬设计规划中。
火炬系统工艺技术的安全性非常重要,如排放不畅,就有可能造成爆炸的危险,对安全生产造成巨大隐患。因此,任何可能导致主管道排放不畅的设备(如分级控制阀),均应设置“失效安全型”的非重闭式泄压装置(如爆破片、爆破针型泄压阀、剪切销型泄压阀)作为旁路,旁路的动作必须不依赖其它外界条件,在主路不能完成正产排放时自动开启将火炬气泄放至火炬头燃烧,以保证火炬系统自身及其上游装置的安全性。与爆破片相比较,设计良好的爆破针型阀或剪切销阀具有动作精度高、复位安全简单迅速、泄放时不会产生碎片等优势。某工业园 PO/AE 一体化火炬采用的是国外某公司爆破针型泄压阀,乙烯火炬和 PO\SM 火炬采用国外某公司剪切销型泄压阀。
本文将从某工业园地面火炬所选用的两种型式泄压阀的结构、原理进行介绍,并对它们各自的特点、使用情况进行比较,供后续项目在选型时参考。
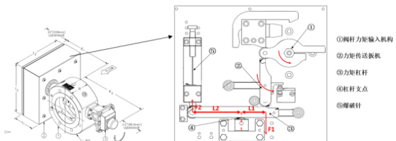
2 爆破针型泄压阀结构原理
某工业园 PO/AE 火炬选用的爆破针型泄压阀(如图 1)是基于偏心蝶阀的概念设计的,采用了旋转开启的方式。偏心设计使得阀杆两侧阀板承受的介质压力大小不同,进而产生了作用在阀杆上的扭矩,通过杠杆控制箱作用在爆破针上,如图 2 所示,阀杆旋转力扭矩通过 ① 力矩输入机构作用在 ② 力矩传送扳机,扳机将力矩传递至 ③ 力矩杠杆右端,根据杠杆原理, F1*L1=F2*L2 ,力通过杠杆左端作用于 ⑤ 爆破针,当通过杠杆传动的力矩超过爆破针失稳临界载荷时,爆破针失稳压弯, ③ 力矩杠杆顺时针旋转, ② 扳机下移并逆时针旋转, ① 阀杆力矩输入机构逆时针旋转,偏心蝶阀开启泄压。泄压结束后仅需更换爆破针即可复位,无需拆卸阀门。
图 1 爆破针阀外型图 图 2 爆破针阀杠杆机构

3 剪切销型泄压阀结构原理
某工业园乙烯火炬和 PO\SM 火炬所采用的剪切销型泄压阀(如图 3)是在三偏心蝶阀的基础上设计的,其阀杆中心线偏离流道中心线,这使得阀杆两侧蝶板所承受的介质压力大小不同,进而产生了转动力矩,该转动力矩在克服密封系统的摩擦力矩后的净力矩作用于阀杆,并进而通过加力杠杆加载于剪切销钉上。当偏心蝶板承受的介质压力达到一定水平时,销钉会因加力杠杆剪切而断裂(即打断),此时偏心蝶阀会开启而达到泄压的目的。泄压后用扳手转动阀杆复位,更换销钉即可。
图 3 剪切销型泄压阀结构图

4 两种泄压阀特点对比
爆破针型和剪切销型泄压阀都是由阀门本体和泄压触发机构两部分组成,泄压触发的力矩来源都是阀板偏心产生的转动力矩,所不同的是爆破针阀的泄压触发机构是通过一系列杠杆作用将力直线作用在爆破针上,爆破针压弯失稳达到阀门开启泄压的目的;剪切销阀则是通过阀杆转动,带动加力杠杆直接作用在剪切销钉上,“打断”销钉实现阀门开启泄压。两种阀门的复位均不需要拆卸阀门和管道,通过在线更换爆破针或者剪切销钉即可完成复位,但是剪切销型泄压阀更换销钉复位的速度相较爆破针型更快。
5 两种泄压阀到压开启可靠性分析
由于泄压阀属于安全泄放装置,因此泄压阀到达设定压力开启泄压的可靠性至关重要,从结构和行业应用来看,两种阀门均能满足到达设定压力开启的可靠性要求。
⑴ 某工业园选用的两种类型阀门供应商的产品均取得 ASME UD 认证,行业内均有应用案例,且爆破针型泄压阀在国内外火炬行业应用更加广泛,属于行业主流选型。
⑵ 两种类型阀门起跳动作均采用机械结构,可靠性较高,剪切销型泄压阀的起跳动作更为直接简单,阀杆转动直接带动加力杠杆打断剪切销钉,设计精度能达到 ±5% ;爆破针型泄压阀则通过机械杠杆将力矩进行传递,将力直线作用于爆破针上,且在移除爆破针的情况下能进行阀门开启扭矩测试,可根据测试扭矩值对照厂家标准值判断阀门到达设定压力开启是否可靠。
⑶ 两种类型的阀门到达设定压力开启均依托于机械结构的精准动作,不能有雨雪结冰、杂物影响机械动作,某工业园选用的爆破针阀机械结构设置在杠杆控制箱内,控制箱门设有密封条,能有效的隔绝雨雪、杂物;剪切销阀的动作机构原设计无任何防护装置,在业主要求下增加防护罩。
⑷ 需要强调的是,两种阀门均对安装的管道应力及法兰螺栓扭矩要求很高,安装时不同口径的阀门需严格对照供应商给出的安装指导文件调整管道应力以及进行合适的扭矩把紧,否则会对阀门泄放压力造成影响,可能出现到压不起跳的情况。
6 两种泄压阀实际应用情况
在某工业园实际应用中,乙烯地面火炬剪切销型泄压阀在投用初期,多级火炬泄压阀出现未到设定压力,剪切销钉剪断、阀门提前开启泄压的情况,部分阀门连续更换 3 根备用销钉均提前剪断起跳,造成火炬气旁路异常开启,影响地面火炬正常排放操作,一期 PO/AE 地面火炬采用的爆破针型泄压阀未出现过该问题。通过查找文献和与厂家交流分析发现,剪切销钉在发生剪切断裂之前,会发生屈服、塑性变形、颈缩的过程,装置开车初期,火炬气压力波动较大,销钉在安装后,经历接近甚至大于屈服极限的交变应力,这决定了销钉可能会发生疲劳而造成泄放压力变小,而且疲劳破坏通常没有外在宏观的显著塑性变形迹象,事先不易觉察出来。厂家虽然对剪切销钉安装时施加预应力来应对交变应力防止疲劳,但找到准确的预应力范围是非常困难的;而爆破针失稳弯曲时内部应力远小于材料的屈服极限,即处于材料的弹性变形范围内,即便管道内的压力经常变化,爆破针也不会出现疲劳而改变其失稳临界载荷,所以爆破针型泄压阀能避免疲劳失效的问题。
7 结论
结合某工业园两种火炬气旁路泄压阀的应用实践,考虑剪切销型泄压阀销钉易疲劳的先天局限,新上地面火炬宜选用爆破针型泄压阀,对于已选用剪切销型泄压阀的火炬,需要定期检查阀门和剪切销钉的状态,即使剪切销钉未发生断裂,也建议定期更换剪切销钉。
参考文献
(1) ASME 锅炉及压力容器规范第Ⅷ卷第 1 册, 2010
(2) 李凤奇.火炬系统中非重闭式泄压装置的选择.工业生产.2017
(3) 张伟.剪切断裂销型泄压阀设计原理及其局限性探讨.化学工程与装备.2017
(4) 王维民.两种爆破针型泄压阀的比较研究.中国石油和化工标准与质量.2015