350MW超临界锅炉受热面管取样分析
张乾乾
中国大唐集团科学技术研究总院有限公司西北电力试验研究院 陕西西安 710021
前言
基于经济性的考量,在火电厂受热面管不同的温度区段选用不同性能的金属材料,一般在高温区采用耐蚀性好、蠕变强度高的奥氏体耐热钢,TP347HFG(08Cr18Ni11NbFG)钢是在18Cr-9Ni奥氏体不锈钢基础上进一步改良成分开发出的细晶奥氏体耐热钢,多用于超(超)临界机组高温再热器、屏式过热器,投用以来,服役性能优良[1-4]。
某电厂工程装机容量750 MW,安装2台350MW超临界空冷供热机组,为上海锅炉厂有限公司生产的超临界压力直流锅炉,锅炉型号为SG-1131/25.73-M4422。锅炉为单炉膛、一次中间再热、四角切圆燃烧方式、平衡通风、紧身遮挡封闭、固态排渣、全钢悬吊结构Π型锅炉。随着受热面管高温服役时间的延长,电厂为了及时掌握受热面管的服役状况,一般每次A修都会进行割管取样,进行相应的性能试验。截止本次A修,累计运行4.5万小时。本文采用金相显微镜、电子万能试验机等仪器,对受热面管进行了割管取样分析,根据相关结果提出了安全平稳运行的意见。
1取样规格及材质
此次受热面割管取样部位、规格、材质,见表1。
表1 取样部位、规格、材质表

2检测依据及标准
DL/T 438-2023 火力发电厂金属技术监督规程
DL/T 939-2024 火力发电厂锅炉受热面管监督检验技术导则
GB/T 5310-2023 高压锅炉用无缝钢管
DL/T 884-2019 火电厂金相检验与评定技术导则
GB/T 6394-2017 金属平均晶粒度测定方法
GB/T 228.1-2021 金属材料室温拉伸试验 第1部分:室温试验方法
DL/T 1422-2015 18Cr-8Ni系列奥氏体不锈钢锅炉管显微组织老化评级标准
DL/T 2219-2021 火力发电厂用10Cr9Mo1VNbN钢显微组织老化评级
ASME 锅炉及压力容器规范 第II卷 材料 A篇 铁基材料
3试验结果与分析
3.1 显微组织分析:
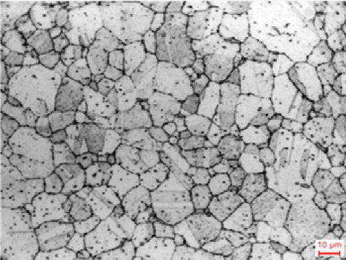
对1、2号试样制取金相样,在Leica DMI 3000M型光学显微镜下进行横截面金相组织观察。图1为高温过热器管母材的显微组织,为奥氏体+析出相,采用DL/T 1422-2015《18Cr-8Ni系列奥氏体不锈钢锅炉管显微组织老化评级标准》对母材组织进行评定,晶内存在较多稍粗化的第二相,晶界上有略多粗化的第二相,整体为中度老化的状态,因此评定母材组织球化等级为3级。图2为屏式过热器管母材的显微组织,为奥氏体+析出相,采用DL/T 1422-2015《18Cr-8Ni系列奥氏体不锈钢锅炉管显微组织老化评级标准》对母材组织进行评定,晶内存在较多细小的第二相,晶界上有少量第二相,整体为轻度老化的状态。
从显微组织中可以看到1号试样晶界明显变宽,退火孪晶几乎消失不见,晶界处明显分布着第二相粒子。TP347HFG的服役温度一般在600℃左右,M23C6相的析出温度一般低于TP347HFG的服役温度,MX相的析出温度一般高于TP347HFG的服役温度,因此在长期服役中,M23C6相一般容易析出并长大[5]。Cr原子与C原子在奥氏体基体内的扩散速率差异很大,C原子扩散速率快,快速与Cr原子在晶界处结合形成M23C6相,使得晶界处形成贫Cr区,受热面管的抗腐蚀性能减弱[6-7],容易因腐蚀造成力学性能下降,是潜在的爆管隐患[8]。
图1 1 号试样迎烟侧显微组织

1 取样规格及材质
图2 2 号试样迎烟侧显微组织

此次受热面割管取样部位、规格、材质,见表1。
根据标准《金属材料 拉伸试验 第1 部分:室温试验方法》 (GB/T 228.1-2021),对1、2 号试样分别制取2 个拉伸试样,进行了屈服强度、抗拉强度及断后伸长率等性能指标试验。数据表明:编号为1 号的高温过热器管断后伸长率接近标准要求下限值;其余试验结果均满足标准要求。试验数据见表2。
受热面管在锅炉长期服役过程中,TP347HFG 钢管中第二相不断析出,大部分富集于奥氏体晶界,少量第二相均匀分布于基体,对耐热钢管的力学性能产生负面影响[9]。在其高温服役过程中,奥氏体在晶界处析出大量M23C6 相颗粒,M23C6 相颗粒硬而脆,会导致其抗拉强度升高,断后伸长率明显下降。
表2 受热面管室温力学性能数据表

3.3 管壁氧化皮厚度测量:
在200 倍视场下对编号为1 号、2 号试样进行未剥落氧化皮厚度测量和观察。标准《火力发电厂金属技术监督规程》 (DL/T 438-2023),规定高温过热器管和再热器管外表面氧化皮厚度超过 0.6mm 时,应及时更换管段;标准《火力发电厂锅炉受热面管监督检验技术导则》 (DL/T 939-2024),规定铁素体钢高温再热器管累计运行时间为50000 h 后,内壁氧化厚度超过 0.5mm 时,应对管子材质状态评估。所测试样内壁氧化皮厚度均未超过标准要求。
图3 1 号试样氧化皮:(a)内壁氧化皮 (b)外壁氧化皮

图4 2 号试样氧化皮:(a)内壁氧化皮 (b)外壁氧化皮

4 结论及建议
(1)炉左至炉右第10 排第1 根高温过热器管断后伸长率接近标准要求下限值,金相组织中可见第二相析出物;其余试验数据符合标准要求。
(2)炉左至炉右第10 排第1 根屏式过热器管室温拉伸性能值符合标准要求;金相组织未见异常,内外壁氧化皮厚度符合标准要求。
(3)择机对炉左至炉右第10 排第1 根附近区域高温过热器管继续割管取样,跟踪劣化趋势。在运行期间加强受热面管温度监控,应防止机组运行过程中超温、超压。
(4)加强“四管”的防磨防爆检查,外观检查应无明显腐蚀、胀粗、鼓包、氧化、机械损伤、结焦、裂纹、磨损等缺陷。
参考文献:
[1]王建光.TP347HFG/12Cr1MoVG 异种钢焊接接头开裂原因[J].理化检验(物理分册),2022,58(5):44-47.
[2]张健,王波,杨平,等.深度调峰机组 TP347H 高温过热器管的超温老化[J].材料热处理学报,2023,44(1):37-145.
[3]李克俭,李晓刚,张宇等.异种金属焊接接头微观组织演化及高温失效机理综述[J].电焊机,2020,50(9):17-43.
作者简介:张乾乾(1996—),男,硕士研究生。研究方向:金属失效分析。