ZB25 包装机低位压力供胶的改进研究
王俊鹏 黎良坤 陈杰 韩梅
湖北中烟红安卷烟厂 湖北省黄冈市 438400
0、引言
ZB25 型软盒硬条包装机组是中国烟草总公司从意大利 G.D. 公司引进 X1SC/4350/PACK-OW 包装机组专有制造技术,由上海烟草机械有限责任公司国产化生产的卷烟软盒硬条包装设备。具有包装质量好、性能稳定、运行速度快、自动化程度高等优点、是目前我国卷烟软盒包装设备的主流。
ZB25 包装机供胶装置在包装生产中具有关键作用,其性能直接影响包装质量与生产效率。在实际应用中,ZB25 包装机供胶装置暴露出一些问题,促使相关人员对其展开改进研究。因此,本文提出一种基于压力供胶原理的改进系统,通过多胶路分离供应、智能压力控制及模块化维护设计,实现供胶过程的精准化与高效化。
1、原供胶装置存在的问题
ZB25 包装机小盒商标纸、封签、条盒商标纸的供胶是通过液位检测器进行胶位判断,并利用气压回路完成乳胶供给的控制。
在液面检测器对胶缸内乳胶储量进行判别后,若判断胶缸内的乳胶量不足则 PLC 触发控制供胶开关的电磁阀 , 电磁阀动作将压缩空气作用在气控换向阀 上,使换向阀置于通路状态,此时在胶桶开关打开的情况下,乳胶将从胶桶内依靠重力作用下经供胶嘴流入胶缸。由于供胶是依靠重力作用使乳胶流入胶缸,因此带来了以下问题;
(1) 胶桶必须置于高位,给加胶工作带来不便。操作人员还需要进行登高作业,这无疑增加了工作中的安全风险。
(2) 仅依靠重力的自然流动使得供胶速度较慢,特别是在乳胶浓度较高,或是供胶管路内壁空间因积胶变细后。 供胶速度慢不能及时补充胶缸内的乳胶量,造成小盒商标纸、封签、条盒商标纸粘贴不牢,出现不合格品质量问题。
(3) 储胶器的内壁容易积累胶垢,这不仅使得清洁和维护工作变得异常困难,而且也严重影响了设备的正常运行效率。储胶器内部剩余的胶料较多,这不仅造成了资源的浪费,也降低了生产效率。
2、改进方案设计
鉴于这些问题,为了提高包装生产的质量、效率和安全性,同时降低生产成本,决定设计并试制一种封闭式压力供胶装置。
供胶速度慢是因为供胶仅依靠乳胶的重力作用,缺乏动力,现将供胶方式改为依靠隔膜泵供给,同时供胶的流量能够根据气压的大小调节。
图3 供胶装置图

1、泵胶电磁阀 2、消声器 3、减压阀 4、气动隔膜泵 5、供胶开关 6、胶桶 7、下胶控制电磁阀 8、气控换向闽 9、胶嘴 10、胶缸
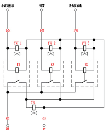
图4 电气控制图

如图 4 所示,原机器小盒商标纸的下胶控制电磁阀(YV7-1)、封签的下胶控制电磁阀(YV7-2)、条盒商标纸的下胶控制电磁阀(YV7-3)分别控制中间继电器 K1、K2、K3,当上述电磁阀任何一个接通时,控制泵胶电磁阀(YV1)动作,打开压缩空气使隔膜泵(4)工作,系统开始泵胶。
如图 3 所示,将装有乳胶的胶桶置于地面的胶桶支架上,支架带有 4 个脚轮,方便移动和清洁地面,同时避免了由于胶桶置于高位带来的加胶工作不便,减少了胶液转移过程中的浪费和污染。气动隔膜泵和调压阀置于圆盖形平板上,使其替代乳胶桶桶盖,能够直接从供方包装乳胶用的桶内泵胶。
如图 2 所示 , 若 PLC 判断 3 处胶缸内的乳胶量不足,则触发控制泵胶电磁阀 YV1(1),电磁阀动作将压缩空气作用在减压阀 (3) 上,压缩空气经过减压后使气动隔膜泵(4)工作。气动隔膜泵(4)输出压力与进气压力成正比,气源压力越高,隔膜往复动力越强,输出压力/ 流量越大。隔膜泵的出胶口通过管道同时接到小盒商标纸、封签、条盒商标纸的气控换向阀上,在气动隔膜泵与气控换向阀之间的胶管上安装有快换接头,在气控换向阀打开的情况下,乳胶将从供胶嘴(9-1、0-2、9-3)流入胶缸(10-1、10-2、10-3)中。
3、结语
本装置的目的在于提供一种采用气动隔膜泵进行抽胶,拆修简便,设备故障率低的烟用包装机供胶装置,该装置能大大降低设备使用维修成本,提高产品质量,且搬动和移动方便。
本装置具有以下有益效果:
① 该实用新型所述供胶装置将原包装机的两个有机玻璃胶桶,合并为一个独立的胶桶放置于地面,通过气动隔膜泵将胶液抽吸后再分别接到小盒商标纸、封签、条盒商标纸胶缸上,提高了设备利用率,节约了成本,且加胶工无需借助其他设备加胶,操作方便,大大降低了其劳动强调度。
② 采用有调压开关的气动隔膜泵即能在运行过程中均匀、连续供胶,可对供 胶液的量进行手动控制;吸胶管下端设置有过滤嘴,可以对胶液进行过滤,保证包装机内的胶液更为均匀,同时避免堵塞管道和提高涂胶的效果。
③胶桶底部设置有脚轮,便于胶桶的移动。
④ 胶桶使用供应商提供的 20L 乳胶桶直接作为储胶容器,这一创新举措极大地简化了更换胶桶或者加胶的操作流程,使得整个过程更加方便快捷,大大提高了工作效率。
参考文献:
[1] 刘俊星 . ZB25 软盒包装机组烟包封签纸涂胶装置改造研究[M]. 企业技术开发,2011 第 5 期 .
[2] 商超 .GDX2 包装机商标纸上胶装置的改进设计 [M]. 厦门 : 包装与食品机械,2013 第 31 卷第 5 期 .
[3] 一种卷烟机供胶装置 申请号:CN201120539349.4 申请人:新乡东方工业科技有限公司