站用变电源系统故障分析及改进
林从城 吴斌 方万煜
广东电网有限责任公司汕尾供电局 广东 汕尾 516600
Abstract:Long-term power failure of AC station power supply system in substation will seriously affect UPS power supply, DC power supply system, telecontrol and communication power supply load, and even cause production to stop. Therefore, once the substation power supply system fails, it will seriously affect the normal operation of the primary and secondary equipment. Therefore, this paper analyzes a fault event of substation transformer power supply, and puts forward some rectification measures.
ey words:Station power supply system; Substation; Emergency generator car; breakdow
1、引言
变电站的站用电源系统是变电站一个重要的基础设施之一,同时也是变电站中各个设备可靠工作的重要根本,站用电源的稳定运行,影响着整个变电站乃至电网的安全稳定运行[1]。因此,变电站站用电源的正常运行是保障整个变电站及电网稳定、安全运行的前提。站用电系统的负荷主要由直流系统中的交流电源输入、隔离开关的操作电源、变电站站内的生产照明、检修电源箱中的检修电源等组成。所以,为了保障供电系统的可靠性、事故处理的安全性、复电的快速性就必须要求站用电源系统安全稳定的运行[2]。
随着无人值班站的应用,站用电源系统运行的可靠性就越来越被重视,长时间的站用电源系统停电不仅会对 UPS 电源、直流电源系统、远动及通信等负荷带来严重的影响,还会致使生产停顿[3]。本文通过一起站用变电源系统故障的事故,重点分析站用电源系统的接线方式,并针对站用电源系统存在的一些问题提出整改措施。
2、站用电源系统的接线方式
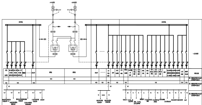
110kV 河田站的站用电源系统的接线方式如图 1 所示,站用电源系统由两台站用变压器所组成,分别挂在 10kVⅠ段母线和 10kVⅡ段母线上。#1 站用变供 380V 母线的负荷,#2 站用变供 380VⅡ段母线的负荷,通过自动转换开关 1ATS、2ATS 实现自动切换来确保供电的可靠性。
图 1 110kV 河田站站用电源系统的接线方式

3、事故进过
2017 年 4 月 13 日,110kV 河田站#1 站用变压器、#2 站用变压器跳闸,运行人员现场检查未发现站用变压器跳闸是由 10kV 高压室空调故障引起的,即故障点在 380VⅠ段母线的 380V 支路上,让本次事故造成了站用变系统的长时间停电。本次事故是 380VⅠ段母线的 380V 支路故障导致#1 站用变压器跳闸,自动转换开关 ATS 动作将 380VⅠ段母线的负荷切换之#2站用变压器供电,从而导致#2 站用变压器也跳闸。
通过本次事故可以发现 380VⅠ段母线上 380V 支路故障时,未能实现380V 支路空开跳闸,也未能闭锁自动转换开关 ATS 动作,在失压的过程中,没有相应的应急措施[4]。
4、解决对策
4.1、运行巡视
在设备的长期使用和运行中,设备会不断的老化,使设备出现许多的问题和缺陷。因此,我们在日常的工作中,就必须对设备进行监控和巡视[5]。对光字信号、声音、气味等方面的变化认真仔细检查,对设备进行严格的监控。当出现异常情况时,需要立刻进行分析,找出原因,采取相应的措施,防止事情的进一步恶化[6]。在对设备进行巡视的过程中,如果发现缺陷时,应将设备的气味、声音、温度及设备的具体情况等多个方面考虑分析。对于存在缺陷且暂时无法处理的设备,应增加巡视的次数,密切跟踪监视设备,了解缺陷的发展趋势[7]。
4.2、整定配合
对站用变变高侧开关、站用变变低侧开关以及 380V 支路空开的级差配置进行优化,实现支路故障时,优先跳开 380V 支路空开,而不越级跳闸[8]。
4.3、ATS 闭锁
对自动转换开关 ATS 装置增加发生 380V 母线单相接地故障、相间堵路故障、三相短路故障时,同时断开故障点所在母线的站用变变低侧开关,防止故障扩大至另一段母线上。
4.4、接入应急发电车
本站两台站用变均由两段 10kV 母线供电,当 10kV 母线全部失压或者380V 母线全部失压,将使本站失去站用电源。考虑到上述原因,本站需配备一部移动式发电车以降低风险,确保站用变电源系统故障时能满足生产要求[9]。在进行发电车临时电源接入时,必须先将站用电源电源与系统隔离,再接入临时电源。首先应将自动转换开关 ATS 装置设置为“停止供电”模式,然后断开#1 站用变变低侧进线断路器、#2 站用变变低侧进线断路器,最后将发电车接入应急快速接入箱内,并在应急快速接入箱内合上临时电源接入空气开关。这样,发电车电源将通过发电车快速接入箱输出至 380V交流母线上供站用负荷使用。
5、结论
变电站的站用电源系统一旦出现故障,将影响直流电源的交流输入、变电站内的生产照明等负荷,直接或间接的影响着变电站的稳定运行,后果是非常的严重[10]。因此,本文通过一起站用电源系统故障事故,分析事故发生的原因和存在问题,从技术、管理、运行等方面,提出一些整改措施,来提高变电站站用电源系统运行的稳定性。
参考文献
[1] 罗文杰.10kV 变电站跳闸原因分析及预控措施[J].中国高新技
术企业.2014.32:14-15.
[2] 严天勇.变电站站用电系统分析[J].地毯技术.2017.6:30-31.
[3] 杨联宇.110kV 变电站站用电系统隐患分析及解决方案[J].华北
电力技术.2008.12:33-35
[4] 蔡明.变电站站用电系统故障分析及改进措施[J].电器与能效管
理技术.2016.3:72-77.
[5] 何海欢.一起 400V 站用电系统进线开关动作导致直流闭锁事
件分析及建议[J].设计与分析.2015.30:139-141.
[6] 张胜.变电站事故处理的措施和方案[J].科学技术创新.2018.19:
28-29.
[7] 侯捷.站用电源系统配合存在风险点分析与管控措施[J].工业技
术.2014.9:57-58.
[8] 成兵.220kV 变电站站用电设计与应用[J].安徽电力.2006.3:
33-35.
[9] 蔡明 .500kV 变电站站用电系统故障分析及改进措施[J].江西电
力.2015.11:21-25.
[10] 秦志英.站用电接线及运行方式探讨[J].河南电力.2007.2:22-23.