智能汽车车灯控制系统的设计与制作
高微
海口经济学院附属艺术学校
随着科技的迅速发展,智能汽车技术成为汽车工业的重要发展方向之一。其革命性的…改变不仅在驾驶体验上显著,更重要的是提升了驾驶安全性 [1]。然而,传统汽车车灯控制…系统通常依赖于驾驶员手动操作,存在操作不便捷、不智能的问题,无法充分满足驾驶员…在不同路况下的需求,甚至可能导致安全隐患 [2]。
为解决这些问题,智能汽车车灯控制系统的研究致力于引入先进的传感器技术和智能…控制算法,实现对车灯亮度和模式的智能调节,提高驾驶安全性和驾驶体验。光敏电阻等…光照传感器能够实时感知周围环境的光照强度,智能地调节车灯亮度,确保驾驶员在夜间…或恶劣天气下拥有良好的视野,减少交通事故风险[3]。此外,结合语音识别、手势识别等…技术,驾驶员可以更便捷地控制车灯状态。OLED…液晶屏等显示屏技术直观地展示车灯工…作状态和周围光照情况,增强驾驶员对路况的感知,提高驾驶安全性 [4]。
智能汽车车灯控制系统的研究对于提升汽车行驶的安全性和驾驶体验具有重要意义。…通过持续优化和完善智能汽车车灯控制系统,将推动智能汽车技术的发展,为未来智能交…通系统的建设提供重要技术支持 [5]。
1. 国内外研究现状
智能汽车车灯控制系统作为智能汽 技术的核心组成部分,已受到国内外广泛的关注…和深入研究 [6]。国外知名汽车制造商如德国奥迪公 直处于该领域的…前沿 [7]。奥迪公司的…Matrix…LED…车灯技术能智能调节车灯光束的方向和 的安全性和舒适性。而特斯拉公司的自适应远光灯技术则能根据前方车辆和路况自动调…节车灯模式,确保驾驶员拥有良好的视野和驾驶体验 [8]。
国内汽 司研发了自动车…灯控制系统,通过光敏传 节能性。比亚迪公司推出作体验 [10]。学术界也在车灯光束自适应控制算法与其他传感器和系统的融 …全和舒适驾驶体验。综系列的研究成果。随着智能汽车技术的不断进 的应用前
1.3…主要研究内容本课题旨在于设计一款
1. 主要研究内容
课题旨在于设计一款智能汽车车灯控制系统,本文的主要研究内容如下:
(1)查阅相关的文献资料
对系统的设计和实现进行相关文献的调研,通过阅读已有的研究论文、技术报告和专业书籍,了解汽车车灯控制系统的最新进展和发展趋势,确定研究方向,为系统的设计和开发奠定基础。
对系统的各个硬件模块进行选型,根据各个模块的工作特点以及产品手册对硬件电路进行设计,完成硬件电路的设计与搭建工作。
(3)程序设计
根据系统的硬件电路编写程序,主要实现单片机对各个模块的控制以及数据传输功能,完成数据显示等功能,完成系统主要功能设计。
(4)系统整合与测试
在系统的各个部分都完成后,需要将硬件和软件进行整合,进行系统测试。测试包括数据的准确性测试、控制效果测试以及远程控制功能的稳定性测试等。通过不断优化和调试,确保系统在各种情况下都能正常运行2 方案设计
智能汽车车灯控制系统设计需实现以下功能 :…1、系统使用传感器自动检测光照强度数据。…2、在显示屏上显示检测到的数据和当前的灯光模式。…3、在手动模式下,使用按键可以控制车灯的开启和关闭。…4、使用语音识别模块来识别用户的语音指令,从而调节车灯。…5、系统还有自动模式,当光照强度低时,开启近光灯 ;当光照强度更低时,开启远光灯。
本系统由以下模块组成:
(1)STM32…单片机模块 : 是智能汽车车灯控制系统的核心控制单元,负责整个系统…的控制和协调。
(2)LD3320…语音识别模块 : 用于识别用户的语音指令,实现对系统功能的语音控制。…(3) 电源模块 : 提供系统所需的电源供应,确保系统稳定工作。
(4)OLED…显示屏模块: 用于显示光照强度数据和系统工作模式,向用户提供实时信息反馈。…(5) 光敏电阻模块 : 检测周围的光照强度数据, 为 )LED…灯模块 : 用于实现对灯光的控制,包括近光灯和远光灯的切换。…(7) 独 控制车灯开启和关闭的功能,用户可通过按键控制系统的操作。
3.…总体方案架构
系统以…STM32F103C8T6 单片机…为核心,集成 7 大模块:
感知层:光敏电阻(GL5506)采集光照强度;
控制层:单片机处理数据并输出控制信号;
交互层:独立按键(4 个) + …LD3320 语音识别模块实现输入,0.96 寸 OLED 屏实现输出;
执行层:LED 灯模块(近光灯1 个、远光灯2 个)模拟车灯开关。
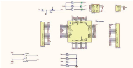
系统设计框架如图2-1 所示。
核心模块选型
主控芯片:STM32F103C8T6(32 位 ARM 内核,处理速度快,外设丰富,支持 ADC 与 I2C 通信);
显示模块:OLED 屏(自发光、低功耗、支持I2C 接口,分辨率 128×64. );
语音模块:LD3320(支持关键词识别,无需提前训练,通过串口与单片机通信);
传感器:光敏电阻(电阻值随光照强度线性变化,配合4.7kΩ 分压电阻采集电压信号)。4 硬件设计
TM32…微控制器是…STMicroelectronics…公司推出的一系列…32…位…ARM…Cortex-M…处理器…内核的嵌入式微控制器。其中,Flash…存储器是…STM32…的核心组成部分,用于存储程序代…码,其容量范围从几十…KB…到数…MB,具备可编程性,使得用户能够在运行时对程序进行…更新和修改。此外,STM32…微控制器还包含只读存储器 (ROM),用于存储固件库和启…动代码,以及一些型号集成的…EEPROM,便于存储需要经常更新的数据。在通信接口方面,STM32…支持多种方式,如…I2C、SPI、USART…等,实现与外部设备的高效通信。工作电压…范围广泛,适用于不同的电源环境,而工作频率可达几百…MHz,提供高性能处理能力。这…些特性使得…STM32…微控制器成为嵌入式系统中的理想选择,为开发者提供了灵活而强大…的工具,以满足各种应用场景的需求。
各模块通过单片机引脚连接,核心电路包括:
电源:5V 外接电源,经LM317 稳压为3.3V 供单片机与模块使用;
光敏电路:光敏电阻与分压电阻串联,输出电压接入单片机 ADC 引脚(PA0);
语音电路:LD3320 模块通过SPI 接口(PB4-PB8)与单片机通信,实现语音指令解析;
LED 驱动:单片机GPIO 引脚(PA1-PA3)通过限流电阻控制LED 灯通断,低电平点亮
主控模块:重点设计晶振电路(8MHz 外部晶振)与复位电路(NRST 引脚接 10kΩ 上拉电阻),确保单片机稳定运行;
显示模块:OLED 屏SCL(时钟)接 PA6,SDA(数据)接 PA7,通过I2C 协议传输数据;按键模块:4 个独立按键一端接 GND,另一端接单片机 PB0、PB1、PB10、PB11 引脚,通过检测低电平判断按键按下。

5 软件设计
开发环境与技术工具:Keil5 集成开发环境,C 语言编程;
核心技术:ADC 模数转换(采集光敏电阻电压)、I2C 通信(控制OLED 屏)、SPI 通信(语音模块数据交互)、按键消抖算法(避免误触发)。
系统工作流程
初始化:单片机引脚、ADC、I2C、SPI、OLED 屏与语音模块初始化;
数据采集:ADC 实时读取光敏电阻电压,换算为光照强度值(公式:光照强度 Σ=Σ (3.3V…-…采样电压 )/ 比例系数);
模式判断:
自动模式:根据光照强度阈值切换LED 灯;
手动模式:按键或语音指令直接控制车灯开关状态显示:OLED 屏分两行显示“光照:XX…lux”“模式:自动/ 手动”。
核心程序逻辑光照采集程序:
uint16_t…get_light_intensity…{
…ADC_StartConversion(ADC1);……//…启动 ADC 转换
…while…(!ADC_GetFlagStatus(ADC1,…ADC_FLAG_EOC));……//…等待转换完成…
…uint16_t…adc_value Σ=Σ ADC_GetConversionValue(ADC1);…
…float…voltage…=…adc_value…*…3.3…/…4096;……//…12 位 ADC,参考电压 3.3V
…return…(uint16_t)((3.3…-…voltage) *100/2) ;……//…假设电压与光照强度线性相关(需校准)…
语音识别处理:通过LD3320 模块返回的关键词ID,执行对应车灯控制指令(如 ID=101,开启近光灯)。6 系统调试与测试
硬件调试
线路检查:万用表检测电源电压(5V/3.3V 稳定)、各模块引脚电平逻辑;
传感器校准:在不同光照环境(如台灯、黑暗房间)中记录光敏电阻电压值,拟合光照强度 - 电压曲线,修正阈值误差。
软件调试
单元测试:单独测试OLED 显示、按键响应、语音识别功能,确保模块独立运行正常;
自动模式:模拟光照变化,验证近/ 远光灯切换是否符合阈值(误差
);
手动模式:按键与语音指令响应时间 <0.5s ,无重复触发或漏触发。
测试结果
测试项目…理论阈值…实际结果…误差分析近光灯开启 <60 lux…58-61…lux(平均 59.5…lux)…传感器精度 ±1.5 ux…远光灯开启 < 30…lux…28-31…lux(平均 29.2…lux)…环境光干扰 ±0.8 lux…语音识别准确率 ⩾95% …97%(50 次测试误判1 次)…背景噪音影响…结论
在智能汽车车灯控制系统的 成本低廉 、运行稳定的解决方案。本系统采 等模块实现了 的亮度和模式,提高 操作的灵活性和便利性 。同时,系统的运 制系统表现出良好的 间行车的需求。本系 制系统将在提高驾驶安全 环境。同时,本系统的设计思想和技术方案也为智 能车 士 益的参考和借鉴。
参考文献
[1] 陈青 . 汽车智能化车灯控制系统方案设计 [J]. 汽车测试报告, 2023(19):
[2] 黄禹 . 基于单片机的车灯智能控制的研究 [D]. 常州大学, 2023.
[3] 刘乾 , 等 . 一种汽车 LED 动态转向灯检测系统研究 [J]. 农业装备与车辆工程 , 2022(10):149-152.
[4] 奥迪 Matrix LED 车灯技术白皮书 [R]. 2022.
[5] 特斯拉自适应远光灯系统说明书 [R]. 2023.
[6] 长城汽车自动车灯控制系统技术报告 [R]. 2022.
[7] 比亚迪语音控制车灯系统专利 [P]. CN20231056789
[8] 崇哲文 , 等 . 基于单片机的智能语音灯光控制系统的设计与实现 [J]. 物联网技术 , 2023(07):148-151.
[9] 彭志崇 , 等 . 网络化智能车灯控制系统 [J]. 电子技术与软件工程 , 2017(24):61.
[10] 胡宁 , 等 . 基于 CAN 总线的智能车灯设计 [J]. 北京汽车 , 2017(02):43-46.